晶闸管的保护与容量扩展
|
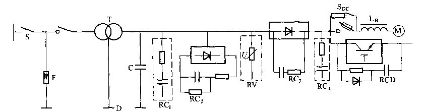
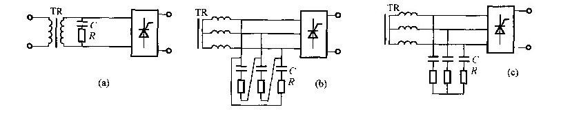
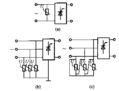
一、 晶闸管的保护 由于晶闸管过载能力较差,短时间的过电压或过电流就可能导致其损坏。虽然选择晶闸管时要合理地选择元件参数并留有安全裕量,但仍需针对晶闸管的工作条件采取适当的保护措施,确保晶闸管装置正常运行。 1、 过电压保护 过电压产生的原因主要是操作过电压、浪涌过电压。按过电压保护的部位来分,有交流侧保护、直流侧保护和元件保护等几部分,如图1所示。 图1 晶闸管装置可采用的过电压保护措施 1-避雷器;2-接地电容;3-交流侧阻容保护;4-整流式阻容保护;5-硒堆保护; 6-交流侧压敏电阻保护;7-直流侧阻容保护;8-直流侧压敏电阻保护 ① 交 流侧操作过电压保护:如图1中的环节3-阻容吸收保护。其中阻容吸收电路的接线方式如图2 所示。 (a)单相电路 (b)三相电路 (c)三相整流式阻容电路 图2 交流侧阻容保护的几种接法 ②交流侧浪涌过电压保护:如图1中的环节5-硒堆(可多次使用)、6-压敏电阻(一次性使用)。 硒堆由成组串联的硒整流片构成。硒片击穿时,表面会烧出灼点,但浪涌电压过去之后,整个硒片自动恢复正常保护功能。硒堆体积大,长期放置不用会失效。 压敏电阻正常工作时,漏电流仅是微安级;当浪涌电压来到时,反应快,可通过数千安培的放电电流。因此,抑制过电压的能力强。加之它还有体积小、价格便宜等优点,是一种较理想的保护元件。保护接线方式如图3 所示。压敏电阻的主要缺点是持续的平均功率太小(仅数瓦),如果正常工作的电压超过它的额定电压,很短时间就会因过热而损坏,因此不宜应用于那些频繁出现过电压的场合。 图3 压敏电阻的几种接法 ③直流侧过电压保护 直流侧保护可采用与交流侧保护相同的方法,如图1 所示。对于容量较小的装置,可采用阻容保护抑制过电压;如果容量较大,应选择硒堆或压敏电阻保护。 2、过电流保护 凡流过晶闸管的电流大大超过其正常工作电流时,都叫过电流。 过电流产生时,如无保护措施,晶闸管会因过热而损坏。因此要采取过流保护措施,在晶闸管未损坏之前就迅速地把过电流消除。常用的过流保护措施如图4所示,可以根据实际情况选择其中一种或数种做晶闸管装置的过流保护。各过电流保护措施的作用分别为: ① 在交流进线中串联电抗器(无整流变压器时)或采用漏抗较大的变压器是限制短路电流、保护晶闸管的有效措施,但负载时电压有所下降。 ② 在交流侧设置电流检测装置,利用过电流信号去控制触发器,使触发脉冲快速后移(即α 角增大)或瞬时停止使晶闸管关断,从而抑制了过电流。但在可逆系统中,停发脉冲后会造成逆变失败,因此多采用脉冲快速后移的方法。 ③ 交流侧经电流互感器接入过流继电器或直流侧接入过流继电器,如图4 中的环节2、6 所示,可以在过电流时动作,断开输入端自动开关,其整定值必须与晶闸管串联的快速熔断器的过载特性相适应。 图 4 晶闸管装置可能采取的过电流保护措施 1-进线电抗器;2-电流检测和过流继电器;3-交流侧快熔; 4< |










