门电路组成的微分型单稳态触发器
时间:2023-03-13来源:佚名
|
单稳态触发器的特点:
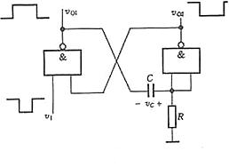
1. 电路中有一个稳态,一个暂稳态。 2. 在外来触发信号作用下,电路由稳态翻转到暂稳态。 3. 暂稳态是一个不能长久保持的状态,由于电路中RC 延时环节的作用,经过一段时间后,电路会自动返回到稳态。暂稳态的持续时间取决于RC 电路的参数值。 单稳态触发器的这些特点被广泛地应用于脉冲波形的变换与延时中 。 1、电路组成及工作原理 微分型单稳态触发器可由与非门和或非门电路组成,图1(a)、(b)分别为由与非门和或非门构成的单稳态触发器。与基本RC 触发器不同,构成单稳态触发器的两个逻辑门是由RC 耦合的,由于RC 电路为微分电路的形式,故称为微分型单稳态触发器。 下面以CMOS或非门构成的单稳态触发器为例,来说明它的工作原理。
(a) 由与非门构成的微分型单稳态触发器 (b) 由或非门构成的微分型单稳态触发器
图1 微分型单稳态触发器 1. 没有触发信号时,电路处于一种稳态。
没有触发信号时,vⅠ为低电平。由于门G2的输入端经电阻R 接VDD,因此vO2为低电平;G1的两个输入均为0,故输出vO1为高电平,电容两端的电压接近0V,这是电路的“稳态”。在触发信号到来之前电路一直处于这个状态: vO1=VOH,vO2=VOL。 2. 外加触发信号,电路由稳态翻转到暂稳态。 当v1正跳变上升到Vth后,开始G1的输出vO1由高变低,经电容C 耦合,使vR为低电平,于是G2的输出vO2由低电平变为高电平。vO2的高电平接至G1门的输入端,从而在此瞬间导致如下正反馈过程:
这样G1导通,G2截止在瞬间完成。此时,即使触发信号vⅠ撤除(vⅠ变为低电平),由于vO2的作用,vO1仍维持低电平。然而,电路的这种状态是不能长久保持的,故称之为暂稳态。暂稳态时,vO1=VOL,vO2=VOH。
3. 电容充电,电路由暂稳态自动返回至稳态。 在暂稳态期间,电源经电阻R和门G1的导通工作管对电容C充电,随着充电时间的增加,vC增加,使vR升高,当vR达到阈值电压Vth时,电路发生下述正反馈过程(设此时触发器脉冲已消失):
于是G1门迅速截止,G2门很快导通,最后使电路由暂稳态返回至稳态,vO1=VOH,vO2=VOL。
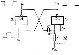
暂稳态结束后,电容将通过电阻R放电,使C上的电压恢复到稳定状态时的初始值。在整个过程中,电路各点工作波形如图2所示。 ![]() 图2 微分型单稳态触发器各点工作波形
2、主要参数的计算 1. 输出脉冲宽度tW 输出脉冲宽度tW,也就是暂稳态的维持时间,可以根据vR的波形进行计算,为了计算方便,对图2的vR的波形,将触发脉冲作用的起始时刻t1作为时间起点,τ=RC , 于是有
根据RC电路瞬态过程的分析,可得到:
当t=tW时,vR(tW)=Vth,代入上式可求得:
当Vth=VDD/2,则tW≈0.7RC
2. 恢复时间tre 暂稳态结束后,还需要一段恢复时间,以便使电容C 在暂稳态期间所充的电荷释放完,使电路恢复到初始状态。一般要经过3τd(τd为放电时间常数)的时间,放电才基本结束,故tre约为3τd 。 3. 最高工作频率fmax 设触发信号v1的时间间隔为T,为了使单稳态电路能正常工作,应满足T>tW tre的条件,即最小时间间 隔Tmin=tW tre。因此,单稳态触发器的最高工作频率为:
显然,上述关系是在作了某些近似之后得到的(例如,忽略了导通管的漏源电阻等。),因而只能作为选择参数的初步依据,准确的参数还要通过实验调整得到。
3、电路改进 1. 如图2所示,在暂稳态结束(t=t2)瞬间,门G2的输入电压vR达到VDD Vth,这么高的输入电压可能损坏CMOS门。为了避免这种现象发生,在CMOS器件内部设有保护二极管D,如图1b中的虚线所示。在电容C充电期间,二极管D开路。而当t=t2时,二极管D导通,于是vR被钳制在VDD 0.6V的电位上,(见2中的虚线所示)同时,在恢复期间,电容C 放电的时间常数τd=(R‖Rf)C(Rf为二极管D的正向电阻),由于Rf<< R,因此电容放电的时间很短。 2. 当输入vⅠ的脉冲宽度tpi> tW时,则在vO2变为低电平后,G1没有响应,不能形成前述的正反馈过程,使vO2 的输出边沿变缓。因此,当输入脉冲宽度tpi很宽时,可在单稳态触发器的输入端加入Rd、Cd组成的微分电路。同时为了改善输出波形,可在图1中G2的输出端再加一级反相器G3,如图3所示。
3. TTL与非门构成如图1(a)所示的单稳态电路时,由于TTL门存在输入电流,因此,为了保证单稳态时G2的输入为低电平,电阻R 要小于0.7kΩ。如果输入端采用Rd、Cd 微分电路时,Rd的数值应大于2kΩ,使得稳态时vD大于门G1的开门电平(VON),而CMOS门由于不存在输入电流,故不受此限制。 |















