权电流型(D/A)转换器电路结构及工作原理
|
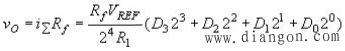
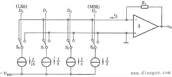
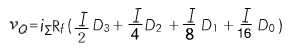
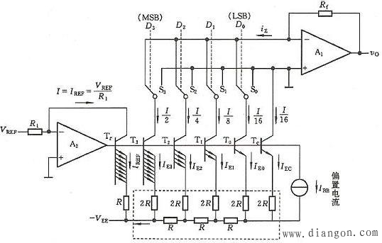
尽管倒T型电阻网络D/A转换器具有较高的转换速度,但由于电路中存在模拟开关电压降,当流过各支路的电流稍有变化时,就会产生转换误差。为进一步提高D/A转换器的精度,可采用权电流型D/A转换器。 1、电路结构 图1 权电流D/A转换器的原理电路 图2 实际的权电流D/A转换器电路 |
|
尽管倒T型电阻网络D/A转换器具有较高的转换速度,但由于电路中存在模拟开关电压降,当流过各支路的电流稍有变化时,就会产生转换误差。为进一步提高D/A转换器的精度,可采用权电流型D/A转换器。 1、电路结构 图1 权电流D/A转换器的原理电路 图2 实际的权电流D/A转换器电路 |







