两或非门组成的基本RS触发器工作原理
时间:2023-03-13来源:佚名
|
基本RS触发器的逻辑方程为:
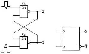
![]() 根据上述两个式子得到它的四种输入与输出的关系: 1.当R=1、S=0时,则Q=0,Q=1,触发器置1。 2.当R=0、S=1时,则Q=1,Q=0,触发器置0。 如上所述,当触发器的两个输入端加入不同逻辑电平时,它的两个输出端Q和Q有两种互补的稳定状态。一般规定触发器Q端的状态作为触发器的状态。通常称触发器处于某种状态,实际是指它的Q端的状态。Q=1、Q=0时,称触发器处于1态,反之触发器处于0态。S=0,R=1使触发器置1,或称置位。因置位的决定条件是S=0,故称S 端为置1端。R=0,S=1时,使触发器置0,或称复位。 同理,称R端为置0端或复位端。若触发器原来为1态,欲使之变为0态,必须令R端的电平由1变0,S端的电平由0变1。这里所加的输入信号(低电平)称为触发信号,由它们导致的转换过程称为翻转。由于这里的触发信号是电平,因此这种触发器称为电平控制触发器。从功能方面看,它只能在S和R的作用下置0和置1,所以又称为置0置1触发器,或称为置位复位触发器。其逻辑符号如图7.2.1(b)所示。由于置0或置1都是触发信号低电平有效,因此,S端和R端都画有小圆圈。 3.当R=S=1时,触发器状态保持不变。 触发器保持状态时,输入端都加非有效电平(高电平),需要触发翻转时,要求在某一输入端加一负脉冲,例如在S端加负脉冲使触发器置1,该脉冲信号回到高电平后,触发器仍维持1状态不变,相当于把S端某一时刻的电平信号存储起来,这体现了触发器具有记忆功能。 4.当R=S=0时,触发器状态不确定 在此条件下,两个与非门的输出端Q和Q全为1,在两个输入信号都同时撤去(回到1)后,由于两个与非门的延迟时间无法确定,触发器的状态不能确定是1还是0,因此称这种情况为不定状态,这种情况应当避免。从另外一个角度来说,正因为R端和S端完成置0、置1都是低电平有效,所以二者不能同时为0。 此外,还可以用或非门的输入、输出端交叉连接构成置0、置1触发器,其逻辑图和逻辑符号分别如图1(a)和1(b)所示。这种触发器的触发信号是高电平有效,因此在逻辑符号的S端和R端没有小圆圈。 ![]() 图1 两或非门组成的基本RS触发器 |









