交流伺服电动机的控制方式
时间:2023-03-13来源:佚名
|
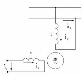
交流伺服电动机的控制方式有三种: 1)幅值控制 幅值控制通过改变控制电压Uc的大小来控制电机转速,此时控制电压Uc与励磁电压Uf之间的相位差始终保持90°电角度。控制绕组为额定电压时所产生的气隙磁通势为圆形旋转磁通势,产生的电磁转距最大。 2)相位控制 通过改变控制电压Uc与励磁电压Uf之间的相位差来实现对电机转速和转向的控制,而控制电压的幅值保持不变。 Uc相位通过移相器可以改变,从而改变两者之间的相位差, 3)幅值相位控制 励磁绕组串接电容c后再接到交流电源上,控制电压Uc与电源同相位,但幅值可以调节,当Uc的幅值可以改变时,转子绕组的耦合作用,使励磁绕组的电流If也变化,从而使励磁绕组上的电压Uf及电容 上的电压uc也跟随改变,Uc与Uf的相位差?也随之改变,即改变Uc的大小,Uc 与Uf的相位差也随之改变,从而改变电机的转速。 |






