电容式传感器的应用

时间:2023-03-13来源:佚名
电容式压力传感器

电容式传感器的应用

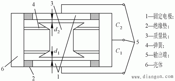
电容式加速度传感器

电容式传感器的应用

电容式加速度传感器的主要特点是频率响应快和量程范围大, 大多采用空气或其它气体作阻尼物质。

    相关阅读

    振荡电路的工作原理和振荡条件

    不需要外加信号就能自动地把直流电能转换成具有一定振幅和一定频率的交流信号的电路就称为振荡电路或振荡器。这种现象也叫做自激振荡。或者说,能够产生交流信号的电路就叫做...
    2023-06-01
    振荡电路的工作原理和振荡条件

    遥控器背光照明电路原理详解

    想通过红外发射管取信号。 拆开看了下,红外发射管一端直接接地,另一端通过一个三极管接VCC。 因为遥控器不带背光,晚上开遥控器的时候需要开灯才可以看清,所以想自己加个背...
    2023-05-30
    遥控器背光照明电路原理详解

    老电工总结的经典12例接线方法,建议收藏

    一、电动机接线 一般常用三相交流电动机接线架上都引出6个接线柱,当电动机铭牌上标为Y形接法时,D6、D4、D5相连接,D1~D3接电源;为△形接法时,D6与D1连接,D4与D2连接,D5与D3连接...
    2023-06-11

    掌握电流表和电压表的使用,看这篇就够了

    电流表和电压表是进行电流、电压及相关物理量测量的常用电工仪表,为了保证测量精度,减小测量误差,应合理选择仪表的结构类型、测量范围、精度等级、仪表内阻等,还须采用正...
    2023-06-13
    掌握电流表和电压表的使用,看这篇就够了

    陶瓷电容和电解电容的并联的作用

    高压瓷片电容消除高频率危害,电解电容器清除低頻危害,整个开关电源电路组成是个滤波电路。 1、滤波功用开关电源电路中,整流电路将交流变为脉动的直流,而在整流电路过后连接...
    2023-03-31
    陶瓷电容和电解电容的并联的作用

    热销商品

    加厚abs安全帽电工建筑工地程施工领导监理透气防砸头盔可印字V型

    这款加厚ABS安全帽专为电工、建筑工地施工人员、领导及监理设计,采用高强度ABS工程塑料,抗冲击、防砸性能优异,有效保障头部安全。帽体加厚设计,增强耐用性与防护等级...
    5.8

    水口钳高硬度模型剪钳电子钳工业级口水剪斜嘴钳偏口斜口专用钳子

    水口钳高硬度模型剪钳是一款工业级精密工具,专为电子、模型制作及精细作业设计。采用优质高碳钢材质,经热处理工艺打造,具备卓越的硬度和耐磨性,可轻松剪切金属引脚、...
    4.8

    170电子剪钳II 如意斜口钳 工业斜嘴钳水口钳 模型剪塑胶钳尖嘴钳

    170电子剪钳II如意斜口钳是一款专业级精密工具,集工业斜嘴钳、水口钳、模型剪、塑胶钳与尖嘴钳功能于一体,适用于电子维修、模型制作、手工艺及精密作业。其采用优...
    4.5

    安全帽国标工地加厚施工领导透气安全头盔建筑工程监理免费印字

    本款安全帽严格遵循国家GB 2811-2019标准,专为建筑工程、工地施工及监理人员设计。采用高强度ABS工程塑料,加厚壳体有效抗冲击,保障头部安全。帽体轻盈透气,内置可调...
    10

    包邮三角型简易螺丝刀三角十字螺丝刀螺丝批改锥起子五金工具5mm

    这款5mm三角型简易螺丝刀,专为拧紧或拆卸三角形螺丝设计,适用于电子维修、家电维护及精密仪器装配等场景。采用优质合金钢材质,刀头硬度高、耐磨损,确保长久使用不变...
    3.64

    网站栏目