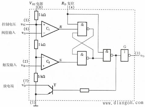
555定时器是一种应用极为广泛的中规模集成电路。该电路使用灵活、方便,只需外接少量的阻容元件就可以构成单稳、多谐和施密特触发器。因而广泛用于信号的产生、变换、控制与检测。 目前生产的定时器有双极型和CMOS两种类型,其型号分别有NE555(或5G555)和C7555等多种。它们的结构及工作原理基本相同。通常,双极型定时器具有较大的驱动能力,而CMOS定时器具有低功耗、输入阻抗高等优点。555定时器工作的电源电压很宽,并可承受较大的负载电流。双极型定时器电源电压范围为5~16V,最大负载电流可达200mA;CMOS定时器电源电压范围为3~18V,最大负载电流在4mA以下。 555定时器内部结构的简化原理图如图1所示。它由3个阻值为5kΩ的电阻组成的分压器、两个电压比较器C1和C2、基本RS触发器、放电管T以及缓冲器G组成。 
图1 555定时器原理图 定时器的主要功能取决于比较器,比较器的输出控制RS触发器和放电管T的状态。图中RD为复位输入端,当RD为低电平时,不管其他输入端的状态如何,输出v0为低电平。因此在正常工作时,应将其接高电平。 由图可知,当5脚悬空时,比较器C1和C2比较电压分别为2/3VCC和1/3VCC。 当vI1>2/3VCC,vI2>1/3VCC时,比较器C1输出低电平,比较器C2输出高电平,基本RS触发器被置0,放电三极管T导通,输出端vO为低电平。 当vI1<2/3VCC,vI2<1/3VCC时,比较器C1输出高电平,比较器C2输出低电平,基本RS触发器被置1,放电三极管T截止,输出端vO为高电平。 当vI1<2/3VCC,vI2>1/3VCC时,基本RS触发器R =1、S =1,触发器状态不变,电路亦保持原状态不变。综合上述分析,可得555定时器功能表如表1所示。如果在电压控制端(5脚)施加一个外加电压(其值在0-VCC之间),比较器的参考电压将发生变化,电路相应的阈值、触发电平也将随之变化,进而影响电路的工作状态。
|
表1 555定时器功能表 |
|
输 入 |
输 出 |
|
阈值输入(vI1) |
触发输入(vI2) |
复位(  ) |
输出(  ) |
放电管T |
|
× |
× |
0 |
0 |
导通 |
|
|
|
1 |
1 |
截止 |
|
|
|
1 |
0 |
导通 |
|
|
|
1 |
不变 |
不变 | | |