集成寄存器74LS175
时间:2023-03-13来源:佚名
|
寄存器是计算机和其他数字系统中用来存储代码或数据的逻辑部件。它的主要组成部分是触发器。一个触发器能存储1位二进制代码,所以要存储n位二进制代码的寄存器就需要用n个触发器组成。
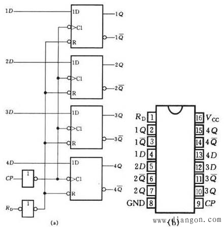
一个4位的集成寄存器74LS175的逻辑电路图和引脚图分别如图1(a)、(b)所示。其中,RD是异步清零控制端。在往寄存器中寄存数据或代码之前,必须先将寄存器清零,否则有可能出错。1D~4D 是数据输入端,在CP 脉冲上升沿作用下,1D~4D端的数据被并行地存入寄存器。输出数据可以并行从1Q~4Q 端引出,也可以并行从1Q~4Q 端引出反码输出。 ![]() 图1 集成寄存器74LS175 (a)逻辑电路图 (b)引脚图
74LS175的功能如表1所示。
| ||||||||||||||||||||||||||||||||||||||||||||||||||||||||||||||








