功率放大电路的主要特点
|
在一些电子设备中,常常要求放大电路的输出级能够带动某种负载,例如驱动电表,使指针偏转;驱动扩大音机的扬声器使这发出声音;驱动自动控制系统中的执行机构等等,因而要求放大的输出功率.这种放大电路通称为功率放大器.
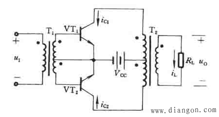
对功率放大电路的要求主要有: (1)根据负载要求,提供所需要的输出功率。为此要求放大电路的输出电压和输出电流都要有足够大的变化量。所谓最大输出功率系指在正弦输入信号下,输出波形不超过规定的非线性失真指标时,放大电路最大输出电压和最大输出电流有效值的乘积。在共射接法下,最大输出功率为 (2)具有较高的效率。放大电路输出给负载的功率是由直流电源提供的。在输出功率比较大的情况下,效率问题尤为突出。如果功率放大电路的效率不高。不仅将造成能量的浪费,而且消耗在电路内部的电能将转换成为热量,使管子,元件等温度升高,因而要求选用较大容量的放大管和其他设备,很不经济。 放大电路的效率为 η=PO/PV (2) 式中PO为放大电路输出给负载的功率,而PV为直流电源VCC所提供的功率 (3)尽量减小非线性失真。由于在功率放大电路中,三极管的工作点在大范围内变化,使管子特性曲线的非线性问题充分暴露出来,因此输出波型的非线性失真比之小信号放大电路 要严重得多。在实际的功率放大电路中,应根据负载的要示来规定允许的失真度范围。 由于功率放大电路中的三极管通常工作在大信号状态,因此在进行分析时,一般不能采用微变等效电路法,而常常采用图解法来分析放大电路的静态和动态工作情况。 射极输出器的特点是输出 电阻低,带负载能力比较强,因此可以考虑作为最基本的功率放大电路,但是,一般的射击极输出 器对正,负向输入 信号跟随的能力 不同。通常对负向输入电压的跟随范围相对比较小。 传统的功率放大电路常常采用变压器耦合方式的互补对称电路,通常称为推挽放大电路。下图示出了一个典型的变压器耦合推挽功率放大电路的原理图.其中T1为输入变压器,T2输出变压器,三极管VT1,VT2接成对称形式.由图可见,当输入电压u1为正半周时,VT1导电,VT2截止;当u1为负半周时,VT2导电,VT1截止,两个三极管的集电极电流ic1和it2均只有半个正弦波,但通过输出 变压顺耦合到负载上,负载电流il和输出 电压uo则基本上是正弦波。下图变压器耦合推挽功率放大电路 ![]() 功率放大电路彩变压器耦合方式的主要优点是便于实现阻抗匹配.但是,由天变压器体积庞大,比较笨重,消耗有色金属,而且在低频和高频部分产生移相,使放大电路在引入负反馈时容易产生激振荡,反以目前的发展趋势倾向于采用无输出变压器的功率放大电路,即直按耦合功率放大电路.本章主要介绍各种采用直接耦合方式的互方式的功率放大电路。 |







