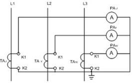
三只电流表经电流互感器测三相线电流接线原理图
|
三只电流互感器的K1分别接三只电流表的任一接线端,三只电流表的另一端连接后再与三只电流表的K2端连接,并接地或接零。 根据负荷电流选择电流表、电流互感器及二次线: 1.电流表的选择: (1)电流表的量程应按计算电流(或按正常的最大负荷电流)的1.5倍左右选取。负荷电流应经常指示在电流表满刻度值的1/3 – 3/4范围内为宜; (2)根据安装位置、尺寸及对电流表外形的要求选择电流表的型号。 2.电流互感器的选择:应使电流互感器的一次额定电流等于电流表的量程(其二次额定电流固定为5A)。电流互感器与电流表的变比应相同,极性不能反接,K2端应接地或接零;一次电流按负荷电流的1.5倍选,精度等级为一级(为接线方便,尽可能选用母线式(穿芯式)例如:LMZ – 0.5) 。 3.二次线的选择:选用截面不小于2.5mm2的绝缘铜导线,中间不得有接头,线端应顺时针压接牢固。 (一次线按照一次电流或者负荷电流选择) 4.电流互感器可选用LMZ型穿芯式电流互感器 例:某一计算电流为510A的线路,试为其选择电流表、电流互感器、二次线。 解:①选电流表:510×1.5=765(A)可选用量程为750A的电流表(例如采用59L23—750A的方形电流表)。 ②选电流互感器 ③选二次线可选用BV-2.5的绝缘铜线。 电流知识 1.星形接法电路中线电流等于相电流。 2.三角形接法电流中线电流等于 倍相电流。 3.根据设备功率P大小计算额定电流; 三相电动机 单相220V用电 单相380V用电 电流互感器使用中二次为什么不可以开路? 电流互感器在使用中是一台串联接法的变压器。它的一次绕组始终流过被测电流,该电流会在互感器的铁芯中产生一个磁通,这个磁通又会在二次绕组中感应出一个电流。二次电流也会在铁芯中产生一个磁通,假如工作中的电流互感器二次开路,此时二次电流为零,铁芯中的磁通完全由一次电流产生,当一次电流足够大时,由于没有二次磁通的去磁作用,其数值会大大增加,以致造成铁芯的磁饱和,并会使铁芯发热,严重时会烧毁电流互感器。另外,由于二次绕组开路,过高的磁通变化率会在二次绕组两端产生高压电,可能破坏二次绕组的绝缘,也会危及人身及设备安全。 电流互感器二次开路的危害有那些? 1.产生很高的电压,对设备和运行人员的安全造成危害; 2.铁芯损耗增大,严重发热,有烧坏绝缘的可能; 3.铁芯中产生剩磁,导致互感器误差增大,影响计量准确性; 4.由于二次回路开路,会使电流表指示异常,失去对电流监视作用,继电保护装置无法正常工作,致使保护失灵会对主电路的异常运行失去监视,若不及时处理,可能造成严重后果。 运行中的电流互感器安全的规定: 1.电流互感器的二次接线应选用2.5平方毫米的单股绝缘铜导线,中间不能有接头,更不能装开关、保险等等。二次线上的各接点必须拧紧。 2.电流互感器二次侧的一端(K2)应做良好接地。 3.工作中的电流互感器如果暂时停用,必须把二次绕组短接并接地。 |









