同步RS触发器电路结构与工作原理
时间:2023-03-13来源:佚名
|
1、电路结构
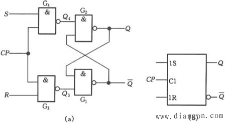
如图1所示在基本RS触发器的基础上增加G3、G4两个与非门构成触发引导电路,其输出分别作为基本RS触发器的R端和S端。 ![]() 图1 同步RS触发器(a)电路结构(b)逻辑符号 2、工作原理 由图1可知,G3和G4同时受CP信号控制,当CP为0时,G3和G4被封锁, R、S不会影响触发器的状态;当CP为1时,G3和G4打开,将R、S端的信号传送到基本RS触发器的输入端,触发器触发翻转。结合基本RS触发器的工作原理,我们可以得到以下结论。 1.当CP=0时 Q3=Q4=1,触发器保持原来状态不变。 2.当CP=1时 若R=0 ,S=1; Q3=1,Q4=0,触发器置1; 若R=1 ,S=0; Q3=0,Q4=1,触发器置0; 若R=S=0; Q3=Q4=1,触发器状态保持不变; 若R=S=1; Q3=Q4=0,触发器状态不定; 可见R端和S端都是高电平有效,所以R端和S端不能同时为1,其逻辑符号中的R端和S端也没有小圆圈。 |









