变压器工作原理.分类及结构
|
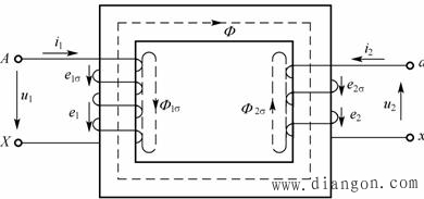
变压器是一种静止的电机,它利用电磁感应原理将一种电压.电流的交流电能转换成同频率的另一种电压.电流的电能。换句话说,变压器就是实现电能在不同等级之间进行转换。 一.变压器的工作原理 下面以单相双绕组变压器为例分析其工作原理:在一个闭合的铁心上缠绕两个绕组,其匝数既可以相同,也可以不同,但一般是不同的。如图1所示,两个绕组之间只有磁的耦合,而没有电的联系。 图1 单相双绕组变压器原理图 与电源相连的绕组,接受交流电能,通常称为原边绕组(初级绕组.一次绕组),以A.X标注其出线端;与负载相连的绕组,送出交流电能,通常称为副边绕组(次级绕组.二次绕组),以a.x标注其出线端。原边的匝数.电压.电动势.电流分别以N1.u1.e1.i1来表示;副边的匝数.电压.电动势.电流分别以N2.u2.e2.i2来表示。 当原边绕组接通电源,便会在铁心中产生与电源电压同频率的交变磁通。忽略漏磁,该磁通便同时与原.副边绕组相交链,耦合系数kc=1,这样的变压器称为理想变压器。根据电磁感应定律,可写出电压.电动势的瞬时方程式分别为 于是可得电动势比: 压器的变比,也称为匝比,通常用有效值之间的比值来表示: 式(2)表明,变压器一.二次绕组的电压比就等于一.二次绕组的匝数比。因此,要使一.二次绕组有不同的电压,只要使一.二次绕组有不同的匝数即可。 二.变压器的基本结构 变压器的主要结构部件有:铁心和绕组两个基本部分组成的器身,以及放置器身且盛满变压器油的油箱。此外,还有一些为确保变压器运行安全的辅助器件。图2为一台油浸式电力变压器外形图。 1—放油阀门5-绕组3—铁心4—油箱 5—分接开关6—低压套管7—高压套管 8—气体继电器 9—安全气道 10—油表 11—储油柜 15-吸湿器 13—湿度计 图2油浸式电力变压器 (1)铁心 表面具有绝缘膜的硅钢片铁心由铁芯柱和铁轭两部分组成,构成变压器磁路的主要部分。为了减小交变磁通在铁心中引起的损耗,铁心通常用厚度为0.3mm~0.5mm.叠装而成。图3(a).(b)所示的变压器,从外面看,线圈包围铁心柱,称为心式结构;图5.4所示的变压器,从外面看,铁心柱包围线圈,则称为壳式结构。小容量变压器多采用壳式结构。交变磁通在铁心中引起涡流损耗和磁滞损耗,为使铁心的温度不致太高,在大容量的变压器的铁心中往往设置油道,而铁心则浸在变压器油中,当油从油道中流过时,可将铁心中产生的热量带走。 (二)绕组 绕组构成变压器电路的主要部分。原.副边绕组一般用铜或铝的绝缘导线缠绕在铁心柱上。高压绕组电压高,绝缘要求高,如果高压绕组在内,离变压器铁心近,则应加强绝缘,提高了变压器的成本造价。因此,为了绝缘方便,低压绕组紧靠着铁心,高压绕组则套装在低压绕组的外面。两个绕组之间留有油道,既可以起绝缘作用,又可以使油把热量带走。在单相变压器中,高.低压绕组均分为两部分,分别缠绕在两个铁心柱上,两部分既可以串联又可以并联。三相变压器属于同一相的高.低压绕组全部缠绕在同一铁心柱上。 只有绕组和铁心的变压器称为干式变压器。 大容量变压器的器身放在盛有绝缘油的油箱中,这样的变压器称为油浸式变压器。 (a)单相心式变压器 (b)三相心式变压器 图3 心式结构变压器 图4 壳式结构变压器 (三)其他结构部件 变压器的器身放在装有变压器油的油箱内。变压器油既是一种绝缘介质,又是一种冷却介质。为使变压器油能长久地保持良好状态,在变压器油箱上面装有圆筒形的储油柜。储油柜通过连通管与油箱相通,柜内油面高度随着油箱内变压器油的热胀冷缩而变动,储油柜使油与空气的接触面积减小,从而减少油的氧化和水分的侵入。另外气体继电器和安全气道是在故障时保护变压器安全的辅助装置。 三.变压器的额定值 按照国家标准规定,标注在铭牌上的,代表变压器在规定使用环境和运行条件下的主要技术数据,称为变压器的额定值(或称为铭牌数据),主要有: 1.额定容量是变压器在正常运行时的视在功率,通常以SN来表示,单位为伏安(VA)或千伏安(kVA)。对于一般的变压器,原.副边的额定容量都设计成相等。 2.额定电压:在正常运行时,规定加在原边绕组上的电压,称为原边的额定电压,以U1N来表示;当副边绕组开路(即空载),原边绕组加额定电压时,副边绕组的测量电压,即为副边额定电压,以U2N来表示。在三相变压器中,额定电压系指线电压,单位为伏(V)或千伏(kV)。 3.额定电流:是指根据额定容量和额定电压计算出来的电流值。原.副边的额定电流分别用I1N.I2N来表示,单位为安(A)。 4.额定频率:我国以及大多数国家都规定fN=50Hz。额定容量.额定电压和额定电流之间的关系为: 单相变压器: 三相变压器: 此外,变压器的铭牌上还一般会标注效率.温升.绝缘等级等。 小结: 1.变压器是利用电磁感应的原理工作的。它具有变压.变流.变阻抗的作用。 2.变压器一.二次绕组的电压比等于其匝数比。 3.由铁心及绕组构成了变压器的磁路和电路部分,亦即变压器的起身。 4.变压器的额定值代表了变压器在规定使用环境和运行条件下的主要技术数据,使用时应正确的选择。 |

(1)
。若磁通.电动势均按正弦规律变化,k称为变
(2) 







