异步电动机的直接启动电路图原理分析
时间:2023-03-13来源:佚名
|
一、直接启动控制线路 直接启动是一种最简单的启动方式,启动时,通过一些直接启动设备把全部电源电压(即全压)直接加到电动机的定子绕组。一般规定异步电动机的功率低于7.5 kW时允许启动,如果功率大于7.5 kW但符合下式要求者也可直接启动: 如不满足上式,则必须采用降压启动的方法。 图1所示是用开关直接启动,一般用于小型台钻和砂轮机等设备。图2所示是用接触器直接启动,许多中小型机床的主电动机都采用此启动方式。
图1 用开关直接启动线路
图2 用接触器直接启动线路 二、点动与长动控制线路 图2中的接触器辅助触点KM是自锁触点,其作用是,当放开启动按钮SB2后仍可保证KM线圈通电,电动机运行(长动)。通常将这种用接触器本身的触点来使其线圈保持通电的环节称做自锁环节。如果启动按钮SB2不并联触点KM,则松开SB2后KM线圈断电,电动机停止运行,此即为点动方式。点动用于机床刀架、横梁、立柱的快速移动以及机床的调整对刀等。图3(a)、(b)、(c)所示分别为用按钮、开关、中间继电器来实现点动的控制线路。长动与点动的主要区别是控制电器能否自锁。
图3 点动控制线路 三、多点起停控制线路 在大型机床设备中,为了操作方便,常要求能在多个地点对机床进行控制。如图4(a)中将启动按钮并联、停止按钮串联,可在三个地方对机床实行启停控制。图4(b)中则将启动按钮串联,只有几个启动按钮都被压下时设备才能工作,可保证操作安全。
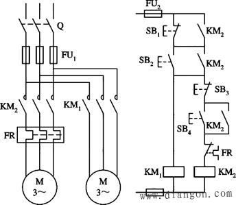
图4 多点启停控制线路 四、顺序启停控制线路 某些机床经常要求电动机有顺序地启动,如主轴必须在液压泵工作后才能工作,主轴旋转后工作台才能运动,主轴停转后润滑泵才能停止工作等等。(http://www.gdzrlj.com/版权所有)图5中,启动时,合上开关Q,按下SB2,KM1线圈得电自保,电动机M1启动运转;再按下SB4,KM2线圈得电自保,M2启动,同时将SB1锁住。停车时,先按下SB3,KM2线圈失电,其常开辅助触头复位,M2停转; 再按下SB1,KM1线圈失电,M1停转。
图5 顺序启停控制线路 |











