1、可编程控制器的基本结构
可编程控制器的主要由CPU模块、输入模块、输出模块和编程器组成(见图1)

图1 plc控制系统示意图
(1)CPU模块
CPU模块主要由微处理器(CPU芯片)和存储器组成,在可编程控制器系统中,CPU模块相当于人的大脑和心脏,它不断地采集输入信号,执行用户程序,刷新系统的输。存储器用来储存程序和数据。
(2)I/O模块
输入(Input)模块和输出(Output)模块简称为I/O模块,它们是系统的眼、耳、手、脚,是联系外部现场和CPU模块的桥梁。输入模块用接收和采集输入信号,输入信号有两类:一类是从按钮、选择开关、数字拔码开关、限位开关、接近开关、光电开关、压力继电器等开关量输入信号;另一类是由电位器、热电偶、测速发电机、各种变送器提供的连续变化 的模拟量输入/输出信号电压一般较高,如直流24V 和交流220V。从外部引入的尖锐电压和干扰噪声可能损坏CPU模块中的元器件,或使用权可编程控制器不能正常工作。在I/O模块中,用光电耦合器,光电可控硅、小型继电器等器件来隔离外部输入电路和负载,I/O模块除了传递信号外,还有电平转换与隔离的作用。
(3)编程器
编程器除了用来输入和编辑用户程序外,还可以用来监视可编程控制器运行中各种编程元件的工作状态 。
编程器可以永久地连接在可编程控制器上,将编程取下来后系统也可以运行。一般只在程序逻辑输入、调试和检修时使用编程器,一台编程器可供多台编程序控制器公用。
(4)电源
可编程控制器使用220V交流电源或24V直流电源。可编程控制器内部的直流稳压电源为各模块内的电路供电,某些可编程控制器可以输入电路和外部电子检测装置(如接近开关)提供24V真流电源,驱动现场执行机构的直流电源一般由用户提供。
2、可编程控制器的物理结构
根据硬件结构的不同,可以将可编程控制器分整体式、模块式和叠装式。
(1) 整体式可编程序控制器
整体式又叫做单元式或箱体式CUP模块、I/O模块和电源装在一个箱状机壳内,结构非常紧凑,它的体积小,价格低,小型可编程序控制器一般采用整体式结构。图2中示出三菱公司的F1系列整体式可编程序控制器,上面是编程器,后面的小开头是模拟调试用户程序用的。整体式可编程序控制器提供多种不同I/O点数的基本元和扩展单元供用户选用,基本单元内有CPU模块,I/O模块和电源,扩展单元内只有I/O模块和电源,基本单元之间用扁平电缆连接。各单元的输入点与输出点的比例一般是固定的,有的可编程序控制器有全输入型和全输出型的扩展单元。选择不同的基本单和扩展单元,可以满足用户的不同要求。
整体式可编程控制器一般配备有许多专用的特殊功能单元 ,如模拟量I/O单元、位置控制单元、数据输入输出单元等,使可编程控制器的功能得到扩展。

图2 整体式可编程控制器
(2)模块式可编程控制器

图3 模块式可编程控制器
大、中型可编程控制器和部分小型可编程控制器采用模块式结构。模块式可编程控制器用搭积木的方式组成系统,它由框架和模块组成(见图3)。模块插在模块插座上,后者焊在框架中的总线连接板上,可编程控制器厂家备有不同的槽数的框架供用户选用,如果一个框架容纳不下所选用的模块,可以增设一个或数个扩展框架,各框架之间用I/O扩展电缆相连。有的可编程控制器没有框架,各各种模块安装在基板上。用户可以选用不同档次的CPU模块,品种繁多的I/O模块和特殊功能模块,对硬件配置的选择余地较大,维修时更换模块也很方便。
图3给出了T1公司模块式可编程控制形图和I/O模块的内部结构。
(3)叠装式可编程控制器
三菱公司的FX系列可编程控制器吸取了整体式和模块式可编程控制器的优点,它的基本单元 、扩展单元和扩展模块的高度和深度相同,但是宽度不同,它们不用基板,仅用扁平电缆连接,紧密拼装后组成一个整齐的长方体,输入,输出点数的配置也相当灵活,有人将这种结构称为叠装式(见图2.4)。基本单元,扩展单元和扩展模块安装在DIN导轨(1)上,或用安装孔(2)安装,从DIN导轨上卸下来时,往下拉下子(8)用扩展电缆连接基本单元与扩展单单元扩展模块时,应打开连接插座的盖子(6)输入端子(3)和输出端子(9)上都有透明的端子美国)和(10),(5)为输入显示LED(7)为输出显示LED,基本单元上还有其他一些显示可编程控制器状态的LED(13)编程器插座在盖子(12)下面存储器盒连接器和锂电池在盖子(11)下面。

图4 叠装式可编程序控制器
3、CPU模块
1、CPU芯片
CPU模块主要由CPU芯片和存储器组成,可编程控制器使用以下几类CPU芯片:
(1)通用微处理器,如Intel公司的8086、80186系列Pentium系统芯片;
(2)单片微处理器(单片机),如Intel公司的MC551/96系列单片机;
(3)位片式微处理器,如AMD2900系列位片式微处理器。
2、存储器
可编程控制器的存储器分为系统程序存储器和用户程序存储器,系统程序相当于个人计算机的操作系统,它使可编程控制器生产厂家设计固化在ROM内,用户不能直接读取,可编程控制器的用户程序由用户设计,它决定了可编程控制器的输入信号与输出信号之间的具体关系。用户程序存储器的容量一般以字(每个字由16位二进制数组成)为单位,三菱的FX系列可编程控制器的用户程序存储器以步为单位。小型可编程控制器的用户程序存储器容量在1K字(1K=1024= ),大型可编程控制器的用户程序存储器容量可达数百K字,甚至数M(兆)字。
可编程控制器常用以下几种存储器:
(1)随机存取存储器(RAM)
用户可以用编程器读出RAM中的内容,也可以将用户程序写入RAM,因此RAM又叫读/写存储器。它是易失性的存储器,将它的电源断开后,储存的信息将会丢失。
RAM的工作速度高,价格低,改写方便。为了在关煌可编程控制器外部电源后,保存RAM中的用户程序和某些数据(如计数器的计数值),为RAM配备了一个锂电池,一般选用耗电极少的CMOS型RAM,锂电池可用2—5年,需要更换锂电池时由可编程序控制器发出信号弹,通知用户,现在大多数可编程控制器仍用RAM来储存用户程序。
(2)只读存储器(ROM)
ROM的内容只能读出,不能写入。它是非易失的,它的电源消失后,仍能保存存储的内容。
(3)可擦除可编程的只读存储器(EPROM)
它是非易失性的,但是可以用编程器它编程,兼有ROM的非易失性和RAM的随机存取优点,但是它比RAM和ROM的价格高一些,与入信息所需的时间比RAM长得多,EEPROM用来存放用户程序。有的可编程控制器将EEPROM作为基本配置,有的可编程控制器将EEPROM作为可选件。
小型可编程控制器的用户程序存储器的容量一般是固定的,大中型可编程控制器的用户存储器容量可以由用户选择。
4、开关量I/O模块的外部接线方式
开关量I/O模块的输入输出信号仅有接通和断开两种状态。电压等级有直流5V,12V,24V,48V,110V和交流110V,220V等。
各I/O点的通/断状态用发光二极管显示,外部接线一般接在模块面板的接线端子上,某些模块使用可拆装的插座型端子板,不需断开端子板上的外部连线,就可以迅速地更换模块。点数很多的高密度I/O模块的外部接线一般用插座连接,用户可选用连接插座的电缆和端子板。
开关量I/O模块的点数一般是2的n次方,如4,8,16,32,64点。
I/O模块的外部接线方式有汇点式、分组式和分隔式三种(见图5)。

图5 I/O模块的外部接线方式
汇点式模块的各I/O电路有一个公共点,所有I/O点共用一个电源。
分组式模块的I/O点分为若干个组,每一组的各I/O电路有一个公共点,它们共用一个电源。各组之间是分隔开的,可分别使用不同的电源。
分隔式模块的各I/O点之间相互隔离,每一I/O点都可以使用单独的电源,将它们的COM端连接起来,几点可以使用同一个电源。
5、输入模块
输入电路中设有RC滤波电路,以防止由于输入触点抖动或外部干扰脉冲引起错误的输入信号。滤波电路延迟时间的典型值为10~20ms(信号上升沿)和20~50ms(信号下降沿),输入电流约5~10mA.

图6 直流输入电路
图6是某直流输入模块的内部电路和外部接线图。在本节输入电路和输出电路中一般只画出了一路,COM是各路的公共点。图中的输入触点直接在公共点和输入端X001之间,不需要外接输入回路的电源,有的可编程序控制器还可以为接近开关、光电开关之类的传感器提供24V电源(见图6)。
当图6中的外接触点接通时,光电耦合器中的发光二极管亮,光敏三极管饱和导通;外接触点断开时,光电耦合器中的发光二极管熄灭,光敏三极管截止,信号经内部电路传送给CPU模块。
开关量输入模块外接电子传感器的输出信号时,应注意传感器的输出电路与可编程序控制器输入电路的配合,对于图6中输入模块的内部电路,传感器的输出电路应为NPN管集电极开路的共发射极电路。
图7是另一种交流输入电路,光电耦合器中有两个反并联的发光二极管,显示用的两个发光二极管也是反并联的,所以这个电路可以接收外部的交流输入电压。
图8所示的交流/直流输入电路的输入触点的接通后,输入信号被滤波和整流,交流电压或直流电压被转换为直流电流,送给显示用的发光二极管和光电耦合器。


图7 交流输入电路 图8 交流/直流输入电路
6、输出模块
输出模块的功率放大元件有驱动直流负载的大功率晶体管和场效应管、驱动交流负载的双向可控硅,以及既可以驱动交流负载又可以驱动直流负载的小型继电器。输出电流的典型值为0.5~2A,负载电源由外部现场提供。
输出电流的额定值与负载的性质有关,例如某模块可以驱动AC220V/2A的电阻性负载,但是只能驱动80VA/AC220V的电感性负载和100W的白炽灯。额定输出电流还与温度有关,温度升高时额定输出电流减小,有的可编程序控制器提供了有关的曲线。
输出模块内可能设置有熔断器,并在模块面板上用发光二极管显示熔断的状态。某些新式的模块用非破坏性的电子保护电路代替熔断器。


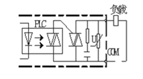
图9(a)是继电器输出电路,继电器同时起隔离和功率放大作用,每一路只给用户提供一对常开触点。与触点并联的RC电路和压敏电阻用来消除断开时产生的电弧。
图9(b)是晶体管集电极输出电路。输出信号送给内部电路中的输出储存器,再经光电耦合器送给输出晶体管,后者的饱和导通状态和截止状态相当于触点的接通和断开。图中的稳压管用来抑制关断过电压和外部的浪涌电压,以保护晶体管,晶体管输出电路的延迟时间〈1ms。

c) 双向可控硅型
图9PLC的输出电路
图9(c)是双向可控制硅输出电路,它用光电可控硅实现隔离。图中的 RC电路和压敏电阻,用来抑制可控硅的关断过电压和外部的浪涌电压。
双向可控硅由关断变为导通的延迟时间小于1ms,由导通变为关断的延迟时间小于10ms。可控硅在负载电流过小不能导通,遇到这种情况时可以在负载两端并用电阻。
除了输入模块和输出模块,还有一种既有输入电路又有输出电路的模块,输入、输出的点数一般相同,这种模块使用户确定可编程序控制器、的硬件配置更为方便。
7、本地I/O和远程I/O
1.本地I/O
可编程序控制器的本地I/O框架一般距CPU框架很近,它们往往装在同一个控制柜内。对于单台机械设备,如中小型机床,一般只有本地I/O。本地I/O用多芯电缆(一般是扁平电缆)实现扩展I/O框架与CPU框架之间的通信。扁平电缆可能多达数十根导线,信息是并行传送的,这种通信方式实际上是总线通信的扩展,其主要优点是数据传输速度快,在某些情况下可以同步地刷新CPU模块中的I/O映象表。“本地“(Local)这一名词不是很确切的,因为有时本地I/O与CPU模块的距离可能长达数百m。(http://www.gdzrlj.com/版权所有)本地I/O模块的主要特征是框架之间采用并行通信方式,通常用编程器可以直接对本地I/O存取数据,对系统调试和查错特别方便。但是多芯电缆价格很贵,对于改造旧设备,电缆的安装(如穿管)可能不是很方便。
2.远程I/O
远程I/O又叫做串行I/O,用于远距离分布式框架系统。某些大型可编程序控制器控制系统,如物资存储自动控制系统,可能有成百上千个传感器分布在很宽的范围内,系统可能包括30—50个距离分布的框架,每个框架中有10—20块模块。远程I/O系统一船只需要4根导线的电缆来连接各框架,但是大多数系统需要专用的I/O驱动顺模块和接收器模块来完成框架之间的串行通信。远程通信使用便宜的4芯电缆,其传送速度虽比并行通信的低,但是已能满足工业控制系统的要求。CPU框架与远程I/O框架之间的距离一般为60~3000m。