电源电路中的电磁兼容设计
时间:2023-03-13来源:佚名
|
在电子产品中,各种干扰往往会通过电源传输给电子设备,从而对这些设备造成危害。通过对微机系统的失效概率统计可知:微机系统100次故障,其中90次来自电源,10次是微机本身,可见电源的可靠性最重要。具有良好抗干扰设计的电源,能使用户在产品设计中无需考虑由电源引起的抗干扰问题,大大缩短用户的产品开发周期,节约开发成本。 1、电源干扰的类型 电源干扰可以以“共模”或“差模”方式存在。干扰类型可以从持续期很短的尖峰干扰到完全失电之间进行变化。其中也包括电压变化(如电压的跌落、浪涌与中断)、频率变化、波形失真(电压的或电流的)、持续噪声或杂波,以及瞬变等。表4中的几种干扰,能够通过电源进行传输并造成设备的破坏或影响其工作的主要是电快速瞬变脉冲群和浪涌冲击波,而静电放电等干扰只要电源设备本身不产生停振、输出电压跌落等现象,就不会造成由电源引起的对用电设备的影响。
2.1 在电源输入端加入线路滤波器 典型的电源线路滤波器如图1所示。其中,L1和L2的线圈同方向绕在同一磁芯上,这两个电感对于差模电流和主电流所产生的磁通是互相抵消的,因此不会引起磁芯的饱和;而对于共模电流则可以反映为很大的电感,以便获得最大的滤波效果,所以又称为“共模电感”。
电源滤波器主要用于抑制30 MHz以下频率范围的噪声,而对于脉冲干扰,其谐波频率往往高达上百MHz,实际使用效果往往并不明显。某研究机构对20种电源滤波器的抑制浪涌波的能力进行了测试,超过20 dB的仅有4种,甚至有的会在输出端产生振荡。 2.2 采用带屏蔽层的变压器 由于共模干扰是一种相对大地的干扰,所以它主要通过变压器绕组间的耦合电容来传递。如果在初、次级之间插入屏蔽层,并使之良好接地,便能使干扰电压通过屏蔽层旁路掉,从而减小输出端的干扰电压。屏蔽层对变压器的能量传输并无不良影响,但影响了绕组间的耦合电容。图2画出了带屏蔽层的隔离变压器的共模干扰通路。其中,C1为初级绕组与屏蔽层之间的分布电容;C2为次级烧组与屏蔽层之间的分布电容;Z1为屏蔽层接地阻抗;Z2为负载对地阻抗;e1为初级干扰(共模型)电压;e2为次级干扰(共模型)电压。
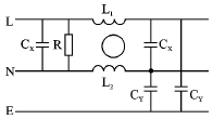
2.3 在电源的输入端加入多级线路滤波器 一般情况下,在图1所示的电路中再加一级差模滤波器,用于衰减差模干扰。通常,差模滤波器的设计如图3所示。
压敏电阻器、瞬态电压抑制管(Transient Voltage Suppressor,TVS管)等吸波器件有共同的特点,即在阈值电压以下呈现高阻抗,而一旦超过阈值电压,阻抗便急剧下降,因此对尖峰电压有一定的抑制作用,但也有各自的局限性。例如压敏电阻的电流吸收能力不够大,TVS管的阈值电压一般仅为300~400 V。压敏电阻器、TVS管在电路中应并联使用。 3、参数选择 对于不同的电路,电源线路滤波器参数的选择应根据电流、电压、频率范围等因素综合考虑,有时应通过实验来确定。本节只对压敏电阻、TVS管的参数选择进行说明。 3.1 压敏电阻器 (1) 压敏电阻器的作用 压敏电阻器是一种金属化物变阻器,其电压与电流不遵守欧姆定律,而成特殊的非线性关系。当两端所加电压低于标称额定电压值时,压敏电阻器的电阻值接近无穷大,内部几乎无电流流过;略高于标称额定电压值时,压敏电阻器将迅速击穿导通,并由高阻状态变为低阻状态,工作电流也急剧增大;低于标称额定电压值时,压敏电阻器又恢复为高阻状态;超过最大限制电压值时,压敏电阻器将完全击穿损坏,无法再自行恢复。 压敏电阻器广泛应用于家用电器以及其他电子产品中,起到过电压保护、防雷、抑制浪涌电流、吸收尖峰脉冲、限幅、高压灭弧、消噪、保护半导体元器件等作用。 (2) 压敏电阻器的选取计算 一般来说,压敏电阻器与被保护器件或装置并联使用。在正常情况下,压敏电阻器两端的直流或交流电压应低于标称电压,即使在电源波动情况最坏时,也不应高于额定值中选择的最大连续工作电压,该最大连续工作电压值所对应的标称电压值即为选用值。对于过压保护方面的应用,压敏电压值VmA应大于实际电路的电压值,一般使用下式进行选择:
这样计算得到的VmA的实际数值是直流工作电压的1.5倍,在交流状态下还要考虑峰值,因此计算结果应扩大1.414倍。另外,选用时还必须注意: ① 必须保证在电压波动最大时,连续工作电压也不会超过最大允许值,否则将缩短压敏电阻器的使用寿命。 ② 在电源线与大地间使用压敏电阻器时,有时由于接地不良而使线与地之间电压上升,所以通常采用比线与线间使用场合标称电压更高的压敏电阻器。 ③ 压敏电阻所吸收的浪涌电流应小于产品的最大通流量。 3.2 TVS管 (1) TVS管的作用 TVS管是一种二极管形式的高效能保护器件。当TVS二极管的两极受到反向瞬态高能量冲击时,它能以10-12秒量级的速度,将其两极间的高阻抗变为低阻抗,吸收高达数千瓦的浪涌功率,使两极间的电压箝位于一个预定值,有效地保护电子线路中的精密元器件免受各种浪涌脉冲的损坏。由于它具有响应时间快、瞬态功率大、漏电流低、击穿电压偏差小、箝位电压较易控制、无损坏极限、体积小等优点,目前已广泛应用于计算机系统、通信设备、交/直流电源、汽车、电子镇流器、家用电器、仪器仪表、RS232/422/423/485、I/O、LAN、ISDN、ADSL、USB、MP3、PDAS、gps、 CDMA、GSM、数字照相机的保护、共模/差模保护、RF耦合/IC驱动接收保护、电机电磁波干扰抑制、声频/视频输入、传感器/变速器、工控回路、继电器、接触器噪声的抑制等各个领域。 (2) TVS管的选取 计算选取时应注意以下几点: ① TVS额定反向关断电压VWM应大于或等于被保护电路的最大工作电压。 ② 最小击穿电压VBR=VWM/KBR (其中,KBR=0.8~0.9)。 ③ TVS的最大箝位电压VC应小于被保护电路的损坏电压,即VC=KC×VBR (其中,KC=1.3)。 ④ 在规定的脉冲持续时间内,TVS的最大峰值脉冲功耗PM必须大于被保护电路内可能出现的峰值脉冲功率。在确定了最大箝位电压后,其峰值脉冲电流应大于瞬态浪涌电流。 3.3 TVS管与压敏电阻器的比较 目前,国内不少需进行浪涌保护的设备上使用的是压敏电阻器。TVS管一般用于电快速瞬变脉冲群的防护,其特性比压敏电阻器优越得多,具体特性参数的比较表2所列。
4.1 交流电路 图4为微机电源采用TVS管作线路保护的原理图。
① 在进线的交流220 V处加双向TVS管D1,以抑制220 V交流电网中的尖峰干扰。双向TVS管D1的
② 在变压器进线处加上抗干扰的电源线滤波器,以消除小尖峰干扰。 ③ 在变压器输出端交流20 V处加上双向TVS管D2,再一次抑制干扰。双向TVS管D2的
④ 整流滤波输出直流10 V时,加上单向TVS管D3抑制干扰。单向TVS管D3的
通过如上4次抑制,得到了所谓的“净化电源”。为了防雷击等浪涌电压,还可在交流220 V进线端加上压敏电阻器,以便更有效地防止干扰进入计算机的CPU及存储器中,从而进一步提高系统的可靠性。 4.2 DCDC电路 图5是一个直流电源的前级抑制干扰原理图。
|


















