74LS151集成电路数据选择器
时间:2023-03-13来源:佚名
|
1. 74LS151集成电路数据选择器的功能
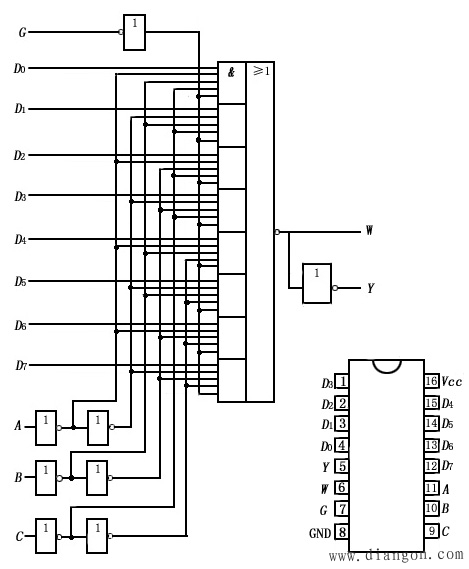
74LS151是一种典型的集成电路数据选择器,它有3个地址输入端CBA,可选择D0~D78个数据源,具有两个互补输出端,同相输出端Y 和反相输出端Y。其逻辑图和引脚图分别如图1(a)和(b)所示,功能表如表1所示。由图1(a)可知,该逻辑电路的基本结构为“与—或—非”形式。输入使能G为低电平有效。输出Y的表达式为 式中mi为CBA的最小项。例如,当CBA=010时,根据最小项性质,只有m2为1,其余各项为0,故得Y=D2,即只有D2传送到输出端。
![]() 图1 74LS151的逻辑图和引脚分布图(a)逻辑图(b)引脚分布图 |
式中mi为CBA的最小项。例如,当CBA=010时,根据最小项性质,只有m2为1,其余各项为0,故得Y=D2,即只有D2传送到输出端。







