变频器有故障代码显示的故障
|
在变频器的使用说明书中,有一栏具体阐述了变频器有故障代码显示的故障,具体如表1所示。 表1 故障代码显示的故障
1、短路保护 (1) 负载出现短路 (2) 变频器内部问题
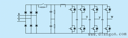
图1 变频器主电路示意图
(3) 变频器内部干扰或检测电路有问题 变频器的短路保护一般是从主回路的正负母线上分流取样,用电流传感器经主控板的检测传至主控芯片进行保护的,因此这些环节上任何一处出现问题,都可能造成故障停机。 对于干扰问题,现低压大功率的及中高压变频器都加了光电隔离,但也有出现干扰的,主要是电流传感器的控制线走线不合理,可将该线单独走线,远离电源线、强电压、大电流线及其他电磁辐射较强的线,或采用屏蔽线,以增强抗干扰能力,避免出现误保护。 对于检测电路出现的问题,一般是电流传感器、取样电阻或检测的门电路问题。电流传感器应用示波器检测,其正常波形应如图2所示。
图2 电流传感器波形图 若波形不好或出现杂乱波形甚至于无波形,即说明电流传感器有问题,可更换一只新的。对取样电阻问题,有的机子使用时间长了,其阻值会变大,甚至于断路,用万用表可检测出来,应予以更换成原来的阻值的或少小一些的电阻。 对于检测的门电路,应检查在静态时的工作点,若状态不对应更换之。 (4) 参数设置问题
图3 启动过程的电压曲线 (5) 在多单元并联的变频器中,若某一单元出现问题。势必使其他单元承担的电流大,造成单元间的电流不平衡,而出现过流或短路保护。因此对于多单元并联的变频器,应首先测其均流情况,发现异常应查找原因,排除故障。各单元的均流系数应不大于5%。 2、过流保护
图4 传感器的波形图 这种保护也有因变频器内部故障引起的,若负载正常,变频器仍出现过流保护,一般是检测电路所引起,类似于短路故障的排除,如电流传感器、取样电阻或检测电路等。该处传感器波形如图4所示,其包络类似于正弦波,若波形不对或无波形,即为传感器损坏,应更换之。 过流保护用的检测电路是模拟运放电路,如图5所示。
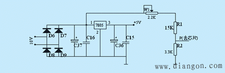
图5 过流检测电路 在静态下,测a点的工作电压应为2.4v,若电压不对即为该电路有问题,应查找原因予以排除。r4为取样电阻,若有问题也应更换之。 3、过、欠压保护 当电网工作正常时,即在允许波动范围(380v±20%)内时,若变频器仍出现这种保护,这就是变频器内部的检测电路出现故障了。一般过、欠压保护的检测电路如图6所示。
图6 过、欠压保护的检测电路 当w1调节不当时,即会使过、欠压保护范围变窄,出现误保护。此时可适当调节电位器,一般在网电380v时,使变频器面板显示值(运行中按住“〈”键〉与实际值相符即可。当检测回路损坏时,如图中的整流桥、滤波电容或r1、w1及r2中任一器件出现问题,也会使该电路工作不正常而失控。如有的机子r1损坏造成开路,使该电路p点得不到电压,芯片即认为该处检测不对而出现欠压保护。p点的工作点范围为1.9~2.1v,即对应其电压波动范围。 对于提升机变频器,因回馈电网污染,增加了隔离电路,如图7所示。
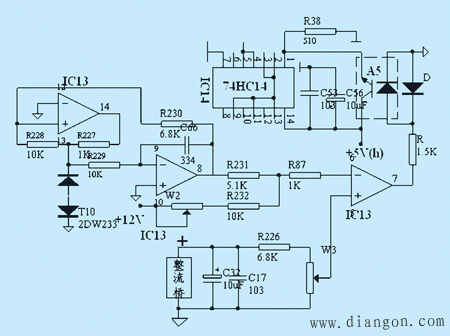
图7 提升机变频器过、欠压保护的检测电路 有时调节不当也会出现误保护,此时应根据电网的波动仔细调节。因提升机负载在运行中电网是波动的,在提升重物时,电压下降(有的可降20v),在下放时回馈电网电压升高,可根据这种变化进行调节,一般是增大w3,减小w2,直至在稳态下适合为止。 |
















