74138集成电路译码器
时间:2023-03-13来源:佚名
|
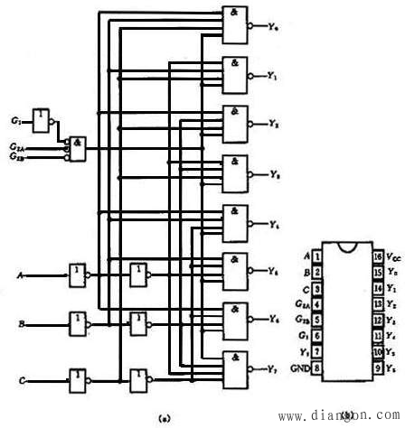
图1(a)为常用的集成译码器74138的逻辑图,其引脚如图1(b)所示,它的功能表如表1所示.由图可知,该译码器有3个输入A、B、C,它们共有8种状态的组合,即可译出8个输出信号Y0~Y7,故该译码器称为3线-8线译码器。与图比较,该译码器的主要特点是,设置了G1、G2A和G2B3个使能输入端。由功能表可知,对于正逻辑,当G1为1,且G2A和G2B均为0时,译码器处于工作状态。
![]() 图74138集成译码器逻辑图和引脚图(a)逻辑图(b)引脚图
由功能表可得 ![]() 其他各输出端的逻辑表达式请读者自行推导。不难证明,由功能表推导出的各输出端的逻辑表达式与逻辑图是一致的。 |









