7448七段显示译码器
时间:2023-03-13来源:佚名
|
7448七段显示译码器输出高电平有效,用以驱动共阴极显示器。该集成显示译码器设有多个辅助控制端,以增强器件的功能。 7448的功能表如表1所示,它有3个辅助控制端LT、RBI、BI/RBO,现简要说明如下: 1. 灭灯输入BI/RBO BI/RBO是特殊控制端,有时作为输入,有时作为输出。当BI/RBO作输入使用且BI=0时,无论其它输入端是什么电平,所有各段输入a~g均为0,所以字形熄灭。 2. 试灯输入LT 当LT=0时,BI/RBO是输出端,且RBO=1,此时无论其它输入端是什么状态,所有各段输出a~g均为1,显示字形8。该输入端常用于检查7488本身及显示器的好坏。
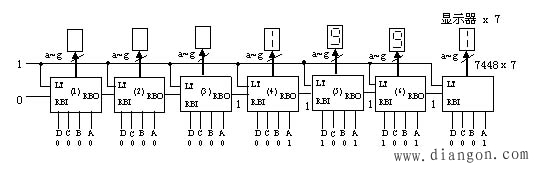
当LT=1,RBI=0且输入代码DCBA=0000时,各段输出a~g均为低电平,与BCD码相应的字形 熄灭,故称“灭零”。利用LT=1与RBI=0可以实现某一位的“消隐”。此时BI/RBO是输出端,且RBO=0。4. 动态灭零输出RBO BI/RBO作为输出使用时,受控于LT和RBI。当LT=1且RBI=0,输入代码DCBA=0000时,RBO=0;若LT=0或者LT=1且RBI=1,则RBO=1。该端主要用于显示多位数字时,多个译码器之间的连接。 从功能表还可看出,对输入代码0000,译码条件是:LT和RBI同时等于1,而对其它输入代码则仅要求LT=1,这时候,译码器各段a~g输出的电平是由输入BCD码决定的,并且满足显示字形的要求。 下面举一个利用7488实现多位数字译码显示的例子,通过它了解各控制端的用法,特别是如何动态灭零,实现无意义位的“消隐”。 该例如图2所示。图中7位显示器由7个译码器7448驱动。各片7448的LT均接高电平,由于第一片的RBI=0且DCBA=0000,所以第一片满足灭零条件,无字形显示,同时输出RBO=0;第一片的RBO与第二片的RBI相连,使第二片也满足灭零条件,无显示并输出RBO=0;同理,第三片的零也熄灭,无显示。由于第四、五、六、七片译码器的RBI=1,所以它们都正常译码,按输入BCD码去点亮各段电极。
|

熄灭,故称“灭零”。利用LT=1与RBI=0可以实现某一位的“消隐”。此时BI/RBO是输出端,且RBO=0。









