单结晶体管触发电路

时间:2023-03-13来源:佚名
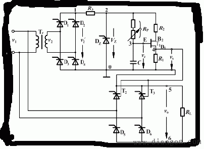
  图1是一个具有触发电路的桥式半控整流电路,图的上半部分是单结晶体管触发电路。
单结晶体管触发电路
图1 单结晶体管触发电路

  

单结晶体管触发电路
图2 波形图

  假设在接通电源之前,图1中电容C的端电压单结晶体管触发电路初始值为零。接通电源后,稳压电源单结晶体管触发电路 通过电阻R1R2将电压加至单结晶体管的两基极B1、B2之间。因两基极间电阻单结晶体管触发电路很大,故电流单结晶体管触发电路 很小,又由于单结晶体管触发电路 取值较小,所以单结晶体管触发电路单结晶体管触发电路 上产生的压降可以忽略。同时,电源又通过单结晶体管触发电路 向电容C充电,电容的端电压单结晶体管触发电路按时间常数为单结晶体管触发电路 的指数规律上升,波形如图7.4.4所示。单结晶体管的发射极电压等于电容两端电压单结晶体管触发电路。当单结晶体管触发电路小于峰点电压单结晶体管触发电路 时,单结晶体管处于截止状态,B1极输出单结晶体管触发电路 。当单结晶体管触发电路上升到等于单结晶体管触发电路时,单结晶体管由截止突变为导通,其电阻单结晶体管触发电路 急剧减小,于是电容C上的电荷经E→B1→R1迅速放电, 单结晶体管触发电路急剧下降。这时发射极电流单结晶体管触发电路 等于流经电位器单结晶体管触发电路 的电流与电容的放电电流之和。短时存在的脉冲电流在R1上转变为尖脉冲电压单结晶体管触发电路。当单结晶体管触发电路下降到单结晶体管的谷点电压单结晶体管触发电路以下时,单结晶体管截止。截止以后电源再次经单结晶体管触发电路向电容C充电,重复上述过程。于是在电阻R1上就得到一个又一个的脉冲电压单结晶体管触发电路,用来触发主电路中的晶闸管。

    相关阅读

    热销商品

    加厚abs安全帽电工建筑工地程施工领导监理透气防砸头盔可印字V型

    这款加厚ABS安全帽专为电工、建筑工地施工人员、领导及监理设计,采用高强度ABS工程塑料,抗冲击、防砸性能优异,有效保障头部安全。帽体加厚设计,增强耐用性与防护等级...
    5.8

    水口钳高硬度模型剪钳电子钳工业级口水剪斜嘴钳偏口斜口专用钳子

    水口钳高硬度模型剪钳是一款工业级精密工具,专为电子、模型制作及精细作业设计。采用优质高碳钢材质,经热处理工艺打造,具备卓越的硬度和耐磨性,可轻松剪切金属引脚、...
    4.8

    170电子剪钳II 如意斜口钳 工业斜嘴钳水口钳 模型剪塑胶钳尖嘴钳

    170电子剪钳II如意斜口钳是一款专业级精密工具,集工业斜嘴钳、水口钳、模型剪、塑胶钳与尖嘴钳功能于一体,适用于电子维修、模型制作、手工艺及精密作业。其采用优...
    4.5

    安全帽国标工地加厚施工领导透气安全头盔建筑工程监理免费印字

    本款安全帽严格遵循国家GB 2811-2019标准,专为建筑工程、工地施工及监理人员设计。采用高强度ABS工程塑料,加厚壳体有效抗冲击,保障头部安全。帽体轻盈透气,内置可调...
    10

    包邮三角型简易螺丝刀三角十字螺丝刀螺丝批改锥起子五金工具5mm

    这款5mm三角型简易螺丝刀,专为拧紧或拆卸三角形螺丝设计,适用于电子维修、家电维护及精密仪器装配等场景。采用优质合金钢材质,刀头硬度高、耐磨损,确保长久使用不变...
    3.64

    网站栏目