一、概述
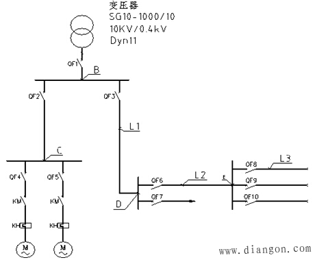
低压配电系统的保护包括过电流保护(短路保护和过负载保护)、断相保护、低电压保护(欠压和失压保护)、接地故障保护。在不同的应用场合,应按规范要求装设不同的保护,比如,《低压配电设计规范》gb50054-95规定,“配电线路应装设短路保护、过负载保护和接地故障保护,作用于切断供电电源或发出报警信号”; 低压配电系统的各个相关的低压电器之间应有良好的特性配合,以正确的发挥各个低压电器的各种功能。比如,《低压配电设计规范》要求“配电线路采用的上下级保护电器,其动作应具有选择性。” 另外,完善的保护,除了正确地装设和设置保护电器之外,还应使配电系统中相关导体、连接件的安装、选型与保护电器相配合,满足各种状态下的动热稳定要求。 随着制造技术的不断发展,低压断路器的性能及功能也越来越先进和完善。目前,在民用建筑的配电系统中,已经广泛地应用低压断路器来实现配电系统的各种保护功能。所以,如何正确地选用低压断路器对低压配电的设计至关重要。 图一所示是一个民用建筑中常用的配电系统实例。本文将以图一为例,讨论工程设计实践中常见的有关低压配电系统保护的若干问题。
图一 二、短路保护
短路保护应在短路电流产生的热作用和机械作用对被保护对象造成危害之前切断短路电流。在民用建筑的低压配电系统中,大多数的短路保护,均可以采用断路器来实现。 采用断路器来实现短路保护,首先应使断路器的短路分断能力≥线路的预期短路电流。 断路器一般有三个指标来表示其分断能力,即极限短路分断能力、运行短路分断能力和短时耐受电流。各个指标的含义如下: 极限短路分断能力(icu),是指在一定的试验参数(电压、短路电流、功率因数) 条件下,经一定的试验程序,能够接通、分断的短路电流,经此通断后,不再继续承载其额定电流的分断能力。它的试验程序为o—t(线上)—co (“o”为分断,t 为间歇时间,一般为3min,“co”表示接通后立即分断)。试验后要验证脱扣特性和工频耐 压。 运行短路分断能力(ics),是指在一定的试验参数(电压、短路电流和功率因数) 条件下,经一定的试验程序,能够接通、分断的短路电流,经此通断后,还要继续承载其额定电流的分断能力,它的试验程序为o—t(线上)— co—t (线上)co。 短时耐受电流(icw),是指在一定的电压、短路电流、功率因数下,耐受0.05、0.1、0.25、0.5或1s而断路器不允许脱扣的能力,icw是在短延时脱扣时 ,对断路器的电动稳定性和热稳定性的考核指标,它是针对b类断路器的,通常icw的最小值是:当in≤2500a时,它为12in或5ka,而in>2500a时,它为30ka。 在某些场合,希望一台断路器在分断线路最大的短路电流后不维护还可以继续承载额定电流,那么,我们就应该按断路器的运行分断能力(ics)不小于线路的预期最大短路电流的条件来选择断路器。否则,可以按断路器的极限分断能力来选择断路器。目前,市面上有许多 ics=icu的断路器,其适用性更广,当然,其制造成本也更高。 对于安装于电源侧的断路器,为实现保护选择性,往往采用具有短路短延时的b类断路器,这时,就应该考虑断路器的短时耐受电流(icw)了。那么,如何确定断路器的icw指标是否满足使用要求呢?因为时间很短,可以将短路过程视为一个绝热过程,不考虑断路器散热条件的差异,所以可以根据下式来校验:  ——(1) 式中 icw——短时耐受能力指定的短路电流值 t ——短时耐受能力指定的通过短路电流的时间 id ——实际发生的预期最大短路电流 t1 ——短路电流持续的时间,一般取断路器的短路短延时时限 比如,图一的b点发生三相短路,假设,变压器容量为1000kva,根据变压器的容量可以估算出在b点的三相短路电流id=ie/δu%=1.443ka/0.06=24.0ka(假设变压器的高压侧短路容量为无穷大,并忽略qf1及母线的阻抗),qf1选用框架断路器,短延时时限t1=0.4s,icw为0.5s,35ka,根据式(1)校验,满足要求。 目前,市面上有许多塑壳断路器的额定电流及极限分断能力或运行分断能力均达到框架式断路器的水平,但当在使用其作为电源主开关时,还应按上式验算其短时耐受电流的指标能否满足要求,应特别注意,大多塑壳断路器为a类断路器,没有短时耐受电流的要求,即使是b类的塑壳断路器,其短时耐受电流一般比框架断路器小得多,一般小于15ka(1s),所以,不是每一个塑壳断路器都可以满足要求的。 从短路发生到短路保护电器动作并分断短路电流需要一定的时间,一般要求配电系统在承受这段时间的短路电流后不会被破坏,这就必须对配电系统中的各种电器、导体及相关连接件进行热稳定和动稳定的校验。 《低压配电设计规范》规定,绝缘导体的热稳定校验应符合下列规定: 当短路持续时间不大于5s时,绝缘导体的热稳定应按下式进行校验:  (2) 式中 s——绝缘导体的线芯截面(mm2); i——短路电流有效值(均方根值a); t ——在已达到允许最高持续工作温度的导体内短路电流持续作用的时间(s); k——不同绝缘的计算系数。 如图一,在d点发生三相短路,设高压侧短路容量为500mva,变压器容量为1000kva ,d,yn-11接法,δu%=6%,负载损耗δpk=8.12kw,qf3长延时整定为50a, l1回路采用vv-5x16,长10m,经计算,短路电流id=7140a,断路器qf3瞬时动作。可以认为从脱扣器动作到完全分断短路电流的时间就是(式2)中的t(s),t的大小和断路器的性能有关,表一列出几种常见情况下的t值。
表一:校验热效应的短路电流持续时间
|
断路器开断速度 |
断路器全分闸时间(s) |
短路电流持续时间(s) |
|
高速 |
小于0.08 |
0.1 |
|
中速 |
0.08~0.12 |
0.15 |
|
低速 |
大于0.12 |
0.2 |
将相关量的值代入(式2)中,t取0.1s,k取115,得出导体的截面s应不小于19.6mm2,因此,vv-5x16的电缆截面不满足热稳定要求,应放大到 25mm2。 在设计中,应特别注意那些距离供电变压器较近,计算负荷较小的线路,往往按计算电流选择的导线截面无法满足热稳定的要求。 在上述的例子中,我们取负荷处(d点)的三相短路电流来校验线路的热稳定,而在实际应用中应该取线路的哪一点的短路电流来校验热稳定呢?因为,电缆线路在中间段发生三相短路故障一般是由于机械损伤造成的,而在室内,这样的机械损伤几率是较低的,更多的可能是在电缆端接的地方或用电设备内发生短路故障。因此,对建筑室内的放射式供电线路,取线路末端负荷处的三相短路电流来校验热稳定是合理的。而对于树干式配电线路,应该取线路的第一个分支点处的短路电流进行热稳定校验。 三、过负载保护 《低压配电设计规范》第4.3.1条规定:配电线路的过负载保护,应在过负载电流引起的导体温升对导体的绝缘、接头、端子或导体周围的物质造成损害前切断负载电流。 因为被保护对象的热承受能力一般呈反时限特性,因此,过负载保护电器一般要具有反时限动作特性,并使保护电器的i-t特性曲线低于被保护对象的热承受能力的i-t特性曲线。《低压配电设计规范》第4.3.4条规定,过负载保护电器的动作特性应同时满足下列条件: ib ≤in≤iz (3) i2≤1.45iz (4) 式中 ib——线路计算负载电流(a); in——熔断器熔体额定电流或断路器额定电流或整定电流(a); i2——保证保护电器可靠动作的电流(a)。当保护电器为低压断路器是,i2为约定时间内的约定动作电流;当为熔断器时,i2为约定时间内的约定熔断电流。 iz——导体允许持续载流量 一般只要满足该条规定,即可认为过负载保护电器可以很好地起作用。在《低压配电设计规范》的条文说明中,对采用熔断器作为过负载保护电器时进行详细的说明,对目前广泛采用的断路器仅简单地提及:“当采用符合《低压断路器》(jb1284-85)的低压断路器时,延时脱扣器整定电流(in)与导体允许持续载流量(iz)的比值不应大于1”,这其实就是满足(3)式的要求。那么,是否只要满足(3)式的断路器,就满足(4)式了呢?表二是典型配电型低压断路器的反时限动作特性
表2
|
通过电流名称 |
整定电流倍数 |
约定时间/h |
|
in≤63a |
in>63a |
|
约定不脱扣电流 |
1.05in |
≥1 |
≥2 |
|
约定脱扣电流 |
1.30in |
<1 |
<2 |
|
返回特性电流 |
3.0in |
可返回时间/s |
|
5 |
8 |
12 |
表2表明,该断路器在约定时间内的约定动作电流i2=1.30in,代入(4)式,得in≤1.1iz,所以,可以认为,一般情况下,只要满足(3)式的断路器,也就是满足了(4)式。 四、接地故障保护 接地故障保护的设置应能防止人身间接电击以及电气火灾、线路损害等事故。这要求保护电器不仅要能切断接地故障电流,而且应在规定的时间内切断。《低压配电设计规范》第4.4.7条对切断接地故障回路的时间提出了要求: 一、配电线路或仅供给固定式电气设备用电的末端线路,不宜大于5s; 二、供电给手握式电气设备和移动式电气设备的末端线路或插座回路不应大于0.4s。 对于tn配电系统,当发生金属性接地故障时,故障电流比较大,可以启动过电流保护装置的瞬动元件,一般比较容易满足切断故障的时间要求,在这种情况下可以利用过电流保护装置兼作接地故障保护。对于tn配电系统的非金属性接地故障或tt配电系统及it配电系统的接地故障,由于接地故障电流值一般较小,有时无法启动断路器的瞬动元件,而由反时限脱扣器来保护,这是,切断故障电流的时间可能较长,无法满足规范的要求,这时,就应采用零序保护或漏电电流动作保护。 在实际工程中,那些直接从低压母线配出线路,其保护电器往往采用不具有漏电保护的塑壳断路器,这时,断路器的过流保护兼作接地故障保护。这种情况下,就应该注意,如果线路太长,可能会无法保证接地故障保护的灵敏度以及满足《低压配电设计规范》第4.4.7条的要求。 如图一,假设qf3长延时电流in整定为100a,(一般塑壳断路器出厂的瞬时动作电流整定为10in左右),l1回路采用vv-3x35 2x16,长100m,经计算,在末端单相接地短路故障电流仅为659a,这时,无法启动qf3的瞬动元件,其长延时过电流脱扣器无法满足接地故障保护的灵敏度以及《低压配电设计规范》第4.4.7条的要求。如果变压器容量变小,供电半径将更小。所以,当这样的供电半径满足不了使用要求时,要么放大电缆截面,要么采用具有接地故障保护功能的断路器。近年来,民用建筑的规模越来越大,上述的问题也就越显得突出,所以,在工程设计中应特别给予注意。 |