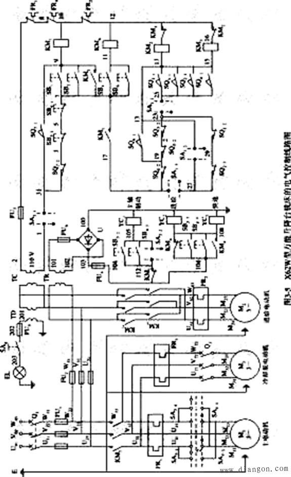
X62W型万能升降台铣床的电气控制线路
|
铣床主要用于加工零件的平面、斜面、沟槽,如装上分度头,还可加工齿轮和螺旋面,如装上回转工作台,还可加工凸轮和弧形槽。 一般中小型铣床都采用三相步进电机拖动。由于没有速度比例协调要求,多数的铣床主轴的旋转运动(主运动)和进给运动分别由单独的电动机拖动。铣床的主轴要求能正向和反向旋转,以实现顺铣和逆铣;为了加工前对刀和提高生产效率,要求主轴停止迅速,所以电气线路要具有制动措施;铣床的工作台有前后、左右和上线三个方向的运动,每个方向又有正反两个运动,三个方向上还要实现空行程的快速移动。 X62W型万能升降台铣床的电气控制线路图如图所示。 一、主电路 该铣床由三台异步电动机拖动。M1为主轴电动机,实现主轴正、反转。M2为进给电动机,通过操纵手柄和机械离合器相配合实现前后、左右、上下三个方向的进给运动和进给方向的快速移动。为了扩大其加工能力,在工作台上可加圆形工作台,圆工作台的回转运动是由进给电动机经传动机构驱动的。M3为冷却泵电动机。三台电动机都具有可靠的短路保护和过载保护。 根据加工工艺要求,该机床采取了如下措施: (1)为实现顺铣和逆铣,主轴电动机M1要求能正反转。 (2)为准确停车,主轴电动机采用电磁离合器制动。 (3)为防止刀具和机床的损坏,要求只有主轴旋转后才允许有进给运动和进给方向的快速移动。 (4)为降低加工件表面粗糙度,只有进给停止后主轴才能停止或同时停止,该机床在电气上采用了主轴和进给同时停止的方式。但是由于主轴运动的惯性很大,实际上就保证了进给运动先停止、主轴运动后停止的要求。 (5)为实现前后、左右、上下三个方向的正反向运动,要求进给电动机M2能正反转。 (6)为保证安全,六个方向的进给运动在同一时刻只允许工作台向一个方向移动,该机床采用了机械操纵手柄和行程开关相配合的办法来实现六个方向进给运动的互锁。 (7)为了缩短调整运动的时间,提高生产率,工作台应有快速移动控制。该机床进给的快速移动是通过牵引电磁铁和机械挂挡来完成的。 (8)主轴运动和进给运动采用变速孔盘来进行速度选择,为保证变速时齿轮易于啮合,减小齿轮端面的冲击,两种运动都要求变速后作瞬时点动(冲动)。
(9)当主电动机或冷却泵电动机过载时,进给运动必须立即停止,以免损坏刀具和机床。 (10)为操作方便,各部件的启停可在两处分别进行控制。 (11)使用圆工作台时,要求圆工作台的旋转运动与工作台的上下、左右、前后三个方向的运动之间有联锁控制,即圆工作台旋转时,工作台不能向任何方向移动。 二、控制电路 控制电路的电源由控制变压器输出110V供电。 1、主电动机的控制 1)主电动机的启动 主电动机启动前应首先选择好主轴的转速,然后将组合开关Q1拨到接通位置,主轴换向的转换开关SA5拨到所需要的转向。这时按下装在机床正面的床鞍上的启动按钮SB1或装在机床侧面的启动按钮SB2,接触器KM1得电吸合,其主触点闭合接通主电动机M1的定子绕组,M1启动。KM1的辅助动合触点(7-9)的闭合将线圈自锁,辅助动合触点(17-7)的闭合为工作台进给线路提供了电源。 2)主电动机的制动 为了使主轴能准确地停车和减少电能的损耗,主轴制动采用了电磁离合器的制动方式。电磁离合器的直流由整流变压器TR的二次侧经桥式整流获得。当主轴制动停车时,按下装在机床正面床鞍处的停车按钮SB3或装在机床侧面的SB4,这时接触器KM1释放,M1的定子绕组脱离电源,离合器YC1线圈通电,主轴制动停车。 3)主轴变速时的瞬时点动(冲动) 在主轴转或不转时均可进行主轴变速,无需先按停止按钮。变速时,先将变速手柄拉出,然后转动蘑菇形变速手轮,选好合适的转速后,再将变速手柄复位。在手柄复位的过程中,压动行程开关SQ7,接触器KM1线圈通过线路1-31-9瞬时接通,主电动机作瞬时点动,使齿轮良好啮合。手柄复位后SQ7恢复到常态,断开了主轴瞬时点动线路。手柄复位时要迅速、连续,以免电动机的转速升得很高,在齿轮没有啮合好时可能使齿轮打牙。如果瞬时点动一次没有实现良好的啮合,可以重复进行瞬时点动动作。 4)主轴换刀制动 在主轴上刀或换刀时,主轴的意外转动都将造成人身事故。因此在上刀和换刀时,应使主轴处于制动状态。控制线路中采用了在停止按钮动合触点112-105两端并联一个转换开关SA2-2触点,在换刀时使它处于接通状态,电磁离合器YC1线圈通电,主轴处于制动状态。换刀结束后,将SA2拨到断开位置,这时SA2-2触点断开,线路1-31的SA2-1触点闭合,为主轴启动做好准备。 2、进给运动的控制 进给运动在主轴启动后方可进行,工作台的前后、左右、上下运动是通过操纵手柄和机械联动机构控制相应的行程开关使进给电动机M2正转或反转来实现的。行程开关SQ1和SQ2控制工作台的向右和向左运动,,Q3和SQ4控制工作台的向前、向下和向后、向上运动。 1)工作台的左右(纵向)运动 工作台的左右运动由纵向手柄操纵,当手柄扳向右侧时,手柄通过联动机构接通了纵向进给离合器,同时压下了行程开关SQ1,Q1的动合触点(13-25)闭合,使进给电动机M2的正转接触器KM2线圈通过17-19-21-23-25-13得电,M2正转,,动工作台向右运动。当纵向进给手柄扳向左侧时,行程开关SQ2被压下,行程开关SQ1复位,,给电动机反转接触器KM3线圈通过17-19-21-23-25-15得电,,2反转,带动工作台向左运动。SA1为圆形工作台转换开关,,时的SA1要处于断开位置,,的SA1-1、SA1-3接通,SA1-2断开。 2)工作台的上下(垂直)运动和前后(横向)运动 工作台的上下和前后运动由垂直和横向进给手柄操纵。该手柄扳向上或扳向下时,机械上接通了垂直进给离合器; 当手柄向前或向后时,机械上接通了横向进给离合器; 手柄在中间位置时,横向和垂直进给离合器均不接通。 当手柄扳到向下或向前位置时,手柄通过机械联动机构使SQ3被压下,SQ3的动合触点(13-25)接通,动断触点(21-23)断开。这时进给电动机M2正转接触器线圈通过17-27-2-23-25-13得电,M2正转带动工作台作向下或向前运动。 当手柄扳到向上或向后位置时,SQ4被压下,SQ3复位,SQ4的常开触点(15-25)接通,这时进给电动机反转接触器线圈KM3通过17-27-29-23-25-15得电,M2反转带动工作台向上或向右运动。 3)进给变速时的瞬时点动(冲动) 进给变速必须在进给操纵手柄放在零位时进行。和主轴变速一样,进给变速时,为使齿轮进入良好的啮合状态,也要做变速后的瞬时点动。在进给变速时,首先将进给变速的蘑菇形手柄拉出,选好合适的进给速度后,再将手柄继续拉出,在拉出时行程开关SQ6被压动,SQ6的常开触点(13-19)接通,常闭触点(17-19)断开,这时进给电动机正转接触器KM2线圈通过17-27-29-23-21-19-13得电,M2瞬时正转。在手柄推回原位时SQ6复位,M2停止。如果一次瞬时点动齿轮仍未进入啮合状态,可以再重复进行一次,直到进入良好的啮合状态为止。 4)进给方向的快速移动 六个方向的进给快速移动是通过相应的手柄和快速按钮来实现的。当在某一方向有进给运动后,按下快速移动按钮SB5或SB6,快速移动接触器KM4动作,其动合触点(104-108)闭合,接通快速离合器YC3,工作台在原方向上快速移动,松开按钮快速移动停止。 5)进给运动方向上的极限位置保护 工作台在进给方向上的运动必须具有可靠的极限位置保护,否则会造成设备或人身事故。X62W型卧式万能升降台铣床的极限位置保护采用的是机械和电气相配合的方式。由挡块确定各进给方向上的极限位置,当达到极限位置时,挡块使操纵手柄自动回到零位。电气上就使在相应进给方向上的行程开关复位,切断了进给电动机的控制电路,进给运动停止,这样保证了工作台在规定的范围内运动。 3、圆形工作台的控制 为了扩大机床的加工能力,可在机床工作台上安装附件圆形工作台,这样就可以进行圆弧或凸轮的铣削加工。圆形工作台可以手动也可以自动,当需要用电气方法自动控制时,应首先将圆工作台开关SA1扳到接通位置,这时SA1-1的(23(104-108)25)触点和SA1-3的(17-27)触点均断开,SA1-2的(23-27)触点接通。这时按下启动按钮SB1或SB2,主轴电动机M1启动。接着进给电动机M2的正转接触器KM2线圈经17-19-21-23-29-27-13得电,M2启动,带动圆形工作台作旋转运动。 圆形工作台的运动必须和六个方向的进给运动有可靠的互锁,否则会造成刀具或机床的损坏。为避免这种事故发生,从电气上保证了只有纵向、横向及垂直手柄放在零位时才可以进行圆形工作台的旋转运动。如果某一手柄不在零位,行程开关SQ1~SQ4就有一个被压下,它所对应的动断触点就要断开,切断了KM2线圈的通电回路。所以在圆工作台工作时,如果扳动了任何一个进给手柄,KM2线圈将断电,M2电动机自动停止。 |






