进给伺服系统的数学模型及传递函数
时间:2023-03-13来源:佚名
|
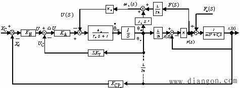
进给伺服系统是接受数控系统发出的位置与速度指令,驱动执行部件在一定切削条件下进行加工的控制系统。从自动控制的角度来看,位置指令是系统的一个控制输入,与切削或使用条件有关的负载可以说是系统的干扰输入。执行机构的位置(角位移或直线位移)是系统的输出。进给伺服系统典型的逻辑结构如图1所示: ![]() 图1 进给伺服系统典型的逻辑结构 则该系统的控制模型框图如图2所示: 图2 进给伺服系统控制模型框图 图2中方框中传递函数的含义是:G1(S)是控制系统的传递函数,它是指位置控制单元、速度控制单元和伺服电机综合控制作用的等效传递函数;G2(S)是被控对象的传递函数,这里是指机械执行部件的传递函数;H(S)是反馈系统的传递函数,这里是指位置检测单元的传递函数; 图2中方框中传递函数的含义是:R(S)是输入信号,这里是指CNC装置输出的由插补指令累计的指令位置值XC;C(S)是输出信号, 这里是指机械执行部件工作台的位移量XD;E(S)是偏差信号,这里是指跟随误差△D;B(S)是反馈信号,这里是指工作台的实际位移量XA;N(S)是噪声信号,这里主要是指负载干扰,M(S)是控制量,这里是指伺服电机的较位移。图4-36模型的闭环传递函数为: ![]() 式中GK(S)为上述系统的开环传递函数,即有: GK(S)=G1(S)G2(S)H(S) 对于图3所示的典型进给伺服系统逻辑结构,其传递函数框图可用图3表示,限于篇幅,其推导过程将不在这里展开了,有兴趣的学员可参看参考教材 第244页 [廖效果等《数控技术》 武汉:湖北科学技术出版社,2000]。 ![]() 图3 传递函数框图 由图可知:X0是对XC和FD两个激励的响应,根据叠加原理,可先分别求出每个激励单独作用的响应,然后进行叠加。 当FD=0时,仅有XC激励的传递函数为 (1) 2)式中的系数:a、b、c、d、e、h、d'、e'是由框图中的参数计算出的,具体表达式可参看参考教材 第245页 [廖效果等《数控技术》 武汉:湖北科学技术出版社,2000]。 当XC、FD同时激励时系统的响应为: (3) (4)显然它是一个复杂的5阶系统,其传递函数也将是相当复杂的,若依据该函数研究系统性能参数的特性也将是很繁琐的。在实际中,当只定性研究系统的性能参数时,可在一定的条件下对系统进行简化,实践证明这种简化将不会对所研究性能参数的本质特征产生影响。 |



当FD=0时,仅有XC激励的传递函数为
(1)
2)
(3)
(4)





