结型场效应管的结构、工作原理
时间:2023-03-13来源:佚名
|
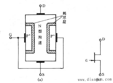
1.结构 ![]() 在一块N型硅棒的两侧,利用合金法、扩散法与其他工艺做成掺杂程度比较高的P型区(用符号P 表示),则在P 型区和N型区的交界处将形成一个PN结,或称耗尽层。将两侧的P 型区连接在一起,引出一个电极,称为栅极(G),再在N型硅棒的一端引出源极(S),另一端引出漏极(D),见图(a)。如果在漏极和源极之间加上一个正向电压,即漏极接电源正端,源极接电源负端,则因为N型半导体中存在多数载流子电子,因而可以导电。这种场效应管的导电沟道是N型的,所以称为N沟道结型场效应管,其电路符合见图(b)。注意电路符号中,栅极上的箭头指向内部,即由P 区指向N区。 2. 工作原理 从结型场效应管的结构已经看出,在栅极和导电沟道之间存在一个PN结。假设在栅极和源极之间加上反向电压UGS,使PN结反向偏置,则可以通过改变UGS的大小来改变耗尽层的宽度。例如,当反向电压的值|UGS|变大时,耗尽层将变宽,于是导电沟道的宽度相应地减小,使沟道本身的电阻值增大,于是,漏极电流ID将减少。所以,通过改变UGS的大小,即可控制漏极电流ID的值。 由于导电沟道的半导体材料(例如N区)掺杂程度相对比较低,而栅极一边(例如P 区)的掺杂程度很高,因此当反向偏置电压值升高时,耗尽层总的宽度将随之增大。但交界面两侧耗尽层的宽度并不相等。因此,掺杂程度低的N型导电沟道中耗尽层的宽度比高掺杂的P 区栅极一侧耗尽层的宽度大得多。可以认为,当反向偏置电压增大时,耗尽层主要向着导电沟道一侧展宽。 改变栅极和源极之间的电压UGS,即可控制漏极电流ID。这种器件利用栅极和源极这宰的电压UGS平改变PN结中的电场,然后控制漏极电流ID,故称为场效应管。对于结型场效应管来说,总是在栅极和源极之间加一个反抽偏置电压,使PN结反向偏置,此时可以认为栅极基本上不取电流,因此,场效应管的输入电阻很高。 |








