悬垂绝缘子串摇摆角校验
时间:2023-03-13来源:佚名
|
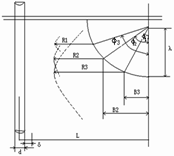
当导线和绝缘子串受风压作用时,悬垂绝缘子串将发生摇摆,其偏斜的角度称为摇摆角,如图1所示。 图1 最大允许摇摆角 1.最大摇摆角的确定 当已知直线杆塔的头部尺寸和绝缘子串的长度时,可按一定的比例尺,用正面间隙圆图来检查空气间隙。 若要确定导线最大允许摇摆角,根据绝缘配合的原则,间隙圆图与杆塔构件只能相切不能相交,有时还应留出间隙裕度,在正常大风、内过电压、外过电压三种情况下的带电部分与杆塔构件的最小空气间隙有不同的规定值。 用作图法求出不同情况下的最大允许摇摆角 ,如图1所示。(1)正常大风情况下最大允许摇摆角的确定 此时最大允许摇摆角应满足靠近横担的第一片绝缘子不得碰到横担的要求。 (1)式中 R1—正常大风时最小空气间隙; δ—间隙裕度; λ—绝缘子串长度。 (2)内过电压下最大允许摇摆角的确定 ![]() 则 (2)式中 R2—内过电压时的最小空气间隙; d—电杆直径; L—横担长度; B2—内过电压时最大水平偏移。 (3)外过电压下最大允许摇摆角的确定 ![]() 则 (3)R3—外过电压时的最小空气间隙; B3—外过电压时最大水平偏移。 2.摇摆角校验 绝缘子串受力如下图所示,设绝缘子查串的自重和其风压集中在绝缘子串中央λ/2处。 悬垂绝缘子串在横线路方向的风偏摇摆角用下式计算 。在选定杆塔后,根据塔头尺寸、绝缘子串长度和最小空气间隙及其他条件可以确定最大允许的摇摆角 ,其校验原则是:实际运行中产生的摇摆角应小于允许摇摆角。即 (4) 式中 φ—实际摇摆角; —允许摇摆角。 在工程设计中,杆塔及塔头尺寸确定后往往采用摇摆角临界曲线进行校验。 令运行中的最大摇摆角等于最大允许摇摆角φ=φy,代入式(1)得m 状态下垂直档距为: (5) 把m状态下的垂直档距,换算为定位模板n状态下的垂直档距为 (6) 式中 gn,σn—最大弧垂模板条件下的导线比载和应力; g1,σm—m状态下校验条件下的导线比载和应力; —定位条件下的垂直档距; —定位条件下的水平档距。 上式即为定位条件下的绝缘子串摇摆角临界曲线计算式。当已知运行电压(最大风情况)、内过电压、外过电压情况的绝缘子串最大允许摇摆角后,将不同的 角和 代入式(6)中就可以求出三条斜率不同、截距不同的直线。三条直线相交后的上包线叫做摇摆角临界曲线,如图2所示。曲线的上方为安全区,下方为非安全区,校验杆塔绝缘子串摇摆角的方法是:从杆塔排定的断面图上量出被校验杆塔的垂直档距和水平档距 ,然后把两者标在临界曲线图上,其交点落在曲线上部则摇摆角合格,否则不合格。![]() 图2 绝缘子串摇摆角临界曲线 |
,如图1所示。
(1)
(2)
。
(4)
—允许摇摆角。
(5)
(6)
—定位条件下的垂直档距;
—定位条件下的水平档距。 








