BiCMOS门电路
时间:2023-03-13来源:佚名
|
双极型CMOS(或BiCMOS)的特点在于,利用了双极型器件的速度快和MOSFET的功耗低两方面的优势,因而这种逻辑门电路受到用户的重视。
1. BiCMOS反相器
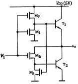
图1表示基本的BiCMOS反相器电路,为了清楚起见,MOSFET用符号M表示,BJT用T表示。T1和T2构成推拉式输出级。而MP、MN、M1、M2所组成的输入级与基本的CMOS反相器很相似。输入信号vI同时作用于MP、MN的栅极。当vI为高电压时,MN导通而MP截止;而当vI为低电压时,情况则相反,MP导通,MN截止。当输出端接有同类BiCMOS门电路时,输出级能提供足够大的电流为电容性负载充电。同理,已充电的电容负载也能迅速的通过T2放电。
上述电路中,T1和T2的基区存储电荷亦可通过M1和M2释放,以加快电路的开关速度。当vI为高电压时M1导通,T1基区的存储电荷迅速消散。这种作用与TTL门电路的输入级中T1类似。同理,当vI为低电压时,电源电压VDD通过MP以激励M2,使M2导通,显然,T2基区的存储电荷通过M2而消散。可见,门电路的开关速度可得到改善。 2. BiCMOS门电路 根据CMOS门电路的结构和工作原理,同样可以用BiCMOS技术实现或非门和与非门。如果要实现或非逻辑关系,输入信号用来驱动并联的N沟道MOSFET,而P沟道MOSFET则彼此串联。这一思路可用图2所示的2输入端或非门来说明。若两输入端A和B均为低电平时,则两个MOSFET,MPA和MPB均导通,T1导通而MNA和MNB均截止,输出L为高电平,与此同时,M1通过MPA和MPB被VDD所激励,从而为T2的基区存储电荷提供一条释放通路。 ![]() 图2 2输入端或非门电路 另一方面,当两输入端A和B中之一为高电平时, 则MPA和MPB的通路被断开,并且MPA或MPB导通,将使输出端为低电平。同时,M1A或M1B为T1的基极存储电荷提供一条释放道路。由此可见,在图2的逻辑电路中,只要有一个输入端接高电平,输出即为低电平。同理,可以构成与非门电路。 |








