plc控制电梯设计论文
|
在电梯行业中,plc得到了广泛的应用,尤其是在电梯改造中有较多应用。一般电梯控制中PLC的应用主要是完成逻辑控制,拖动调速系统一般使用常用的变极调速、调压调速等方式。 图1所示为电梯控制原理图。电梯控制的核心是对拖动系统的控制,类似三相异步电机的正反转和启动/停止控制,只不过控制所需的条件要多得多。如电梯的启动所需的条件为:安全保护系统正常、门锁锁闭、定向部分选择好电梯运行方向等。电梯停车过程可分为两部分,其所需的条件为选层部分选择好停车楼,而且电梯必须到达要停车的楼层的减速点,此时电梯方可减速。当电梯到达目标楼层的平层位置时,电梯方可作停车动作。此外,楼层信号(电梯当前位置)、轿内指令、厅外召唤、减速点信号、平层信号、安全保护信号、门锁信号以及其他相关信号的取得和处理都属于电梯控制的内容。这里我们只介绍三层电梯的厅外召唤的程序。电梯示意图如图2所示。 图 电梯控制原理图
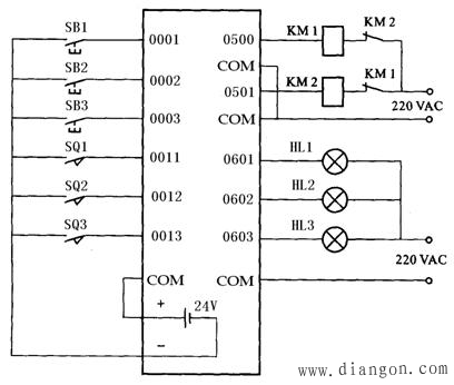
图2 电梯示意图 一、控制要求 (1)当电梯不在三楼时,按SB3,则电梯上升,碰到SQ3停止。 (2)当电梯不在一楼时,按SB1,则电梯下降,碰到SQ1停止。 (3)当电梯停于一楼时,按SB2,则电梯上升,碰到SQ2停止。 (4)当电梯停于三楼时,按SB2,则电梯下降,碰到SQ2停止。 (5)当电梯停于一楼,而二楼、三楼均有人呼叫时,电梯上升,碰到SQ2时,停5s,然后继续上升,碰到SQ3停止。 (6)当电梯停于三楼,而一楼、二楼均有人呼叫时,电梯下降,碰到SQ2时,停5s,然后继续下降,碰到SQ1停止。 (7)在电梯上升或下降途中,任何反方向的下降呼叫信号无效。 二、I/O通道分配及I/O接线图 表1 I/O通道分配
图3 电梯的I/O接线图 三、梯形图程序设计 厅外召唤指令的记忆和消除功能可以用锁存器KEEP指令。将厅外召唤的启动保持信号端接S端,消除信号接R端。在实现厅外召唤的记忆和消除功能时必须注意其记忆和消除条件。当按下一个指令按钮或召唤按钮,且电梯不在本楼层时,对应的PLC内部继电器应保持该信号,而且通过PLC的输出点亮相应的按钮指示灯。当电梯正常到达楼层时,如果满足该指令或召唤信号的停车条件时,电梯在该层停车,并且消除对应的指令或召唤信号。在图4所示梯形图中,内部辅助继电器1000、1002用来处理在同方向同时有两层楼呼叫的情况:1002用来记忆二楼的呼叫信号;在电梯运行到二楼时,1000得电5 s,使电梯停5 s后自行启动。
图4 电梯梯形 |












