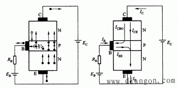
双极型半导体三极管在工作时一定要加上适当的直流偏置电压。若工作在放大状态,发射结加正向电压,集电结加反向电压。现以 NPN型三极管为例,当它导通时三个电极上的电流必然满足节点电流定律,即流入三极管的基极电流 IB和集电极电流 IC等于流出三极管的发射极电流 IE,如式1。 IE= IC+IB (1) 下面用载流子在三极管内部的运动规律来说明上述电流关系,见图1。
(1)发射极电流IE的形成 发射结加正偏时,从发射区将有大量的多数载流子(电子)不断向基区扩散,并不断从电源补充进电子,形成了发射极电流IE。与此同时,从基区向发射区也有多数载流子(空穴)的扩散运动,但其数量小,形成的电流可以忽略不计。这是因为发射区的掺杂浓度远大于基区的掺杂浓度。
 |
|
(a)载流子运动 (b)电流分配 |
|
图1 双极型三极管的电流传输关系 |
(2)基极电流IB的形成 进入基区的电子流将有少数的电子不断与基区中的空穴复合。因基区中的空穴浓度低,被复合的空穴自然很少。复合掉的空穴将由电源不断的予以补充,它基本上等于基极电流IB。 (3)集电极电流IC的形成 进入基区的电子流因基区的空穴浓度低,被复合的机会较少。又因基区很薄,在集电结反偏电压的作用下,电子在基区停留的时间很短,很快就运动到集电结的边缘,进入集电结的结电场区域,被集电极所收集,形成电流ICE,它基本上等于集电极电流IC。 另外,因集电结反偏,在内电场的作用下,集电区的少子(空穴)与基区的少子(电子)将发生漂移运动,形成电流ICBO,并称为集电极-基极反向饱和电流。由此可得 IC = ICE + ICBO ICBO是集电极电流和基极电流的一小部分,它受温度影响较大,而与外加电压的关系不大。 由以上分析可知,发射区掺杂浓度高,基区很薄,是保证三极管能够实现电流放大的关键。 |