ADC将模拟输入信号转换成数字信号的电路或器件。模数转换器的实例有逐次逼近ADC,电压-频率(V/F)转换器,双斜率ADC和高速闪烁ADC。模数转换器也称为数字化仪。
A/D转换的作用是将时间连续、幅值也连续的模拟量转换为时间离散、幅值也离散的数字信号,因此,A/D转换一般要经过取样、保持、量化及编码4个过程。在实际电路中,这些过程有的是合并进行的,例如,取样和保持,量化和编码往往都是在转换过程中同时实现的。
取样和保持
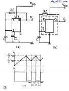
取样是将随时间连续变化的模拟量转换为时间离散的模拟量。取样过程示意图如图1所示。图(a)为取样电路结构,其中,传输门受取样信号S(t)控制,在S(t)的脉宽τ期间,传输门导通,输出信号vO(t)为输入信号v1,而在(Ts-τ)期间,传输门关闭,输出信号vO(t)=0。电路中各信号波形如图(b)所示。
图1 取样电路结构(a)

图1 取样电路中的信号波形(b)
通过分析可以看到,取样信号S(t)的频率愈高,所取得信号经低通滤波器后愈能真实地复现输入信号。但带来的问题是数据量增大,为保证有合适的取样频率,它必须满足取样定理。
取样定理:设取样信号S(t)的频率为fs,输入模拟信号v1(t)的最高频率分量的频率为fimax,则fs与fimax必须满足下面的关系fs≥2fimax,工程上一般取fs>(3~5)fimax。
将取样电路每次取得的模拟信号转换为数字信号都需要一定时间,为了给后续的量化编码过程提供一个稳定值,每次取得的模拟信号必须通过保持电路保持一段时间。
取样与保持过程往往是通过取样-保持电路同时完成的。取样-保持电路的原理图及输出波形如图2所示。

图2 取样-保持电路波形图
电路由输入放大器A1、输出放大器A2、保持电容CH和开关驱动电路组成。电路中要求A1具有很高的输入阻抗,以减少对输入信号源的影响。为使保持阶段CH上所存电荷不易泄放,A2也应具有较高输入阻抗,A2还应具有低的输出阻抗,这样可以提高电路的带负载能力。一般还要求电路中AV1·AV2=1。
现结合图2来分析取样-保持电路的工作原理。在t=t0时,开关S闭合,电容被迅速充电,由于AV1·AV2=1,因此v0=vI,在t0~t1时间间隔内是取样阶段。在t=t1时刻S断开。若A2的输入阻抗为无穷大、S为理想开关,这样可认为电容CH没有放电回路,其两端电压保持为v0不变,图2(b)中t1到t2的平坦段,就是保持阶段。
取样-保持电路以由多种型号的单片集成电路产品。如双极型工艺的有AD585、AD684;混合型工艺的有AD1154、SHC76等。
量化与编码
数字信号不仅在时间上是离散的,而且在幅值上也是不连续的。任何一个数字量的大小只能是某个规定的最小数量单位的整数倍。为将模拟信号转换为数字量,在A/D转换过程中,还必须将取样-保持电路的输出电压,按某种近似方式归化到相应的离散电平上,这一转化过程称为数值量化,简称量化。量化后的数值最后还需通过编码过程用一个代码表示出来。经编码后得到的代码就是A/D转换器输出的数字量。
量化过程中所取最小数量单位称为量化单位,用△表示。它是数字信号最低位为1时所对应的模拟量,即1LSB。
在量化过程中,由于取样电压不一定能被△整除,所以量化前后不可避免地存在误差,此误差称之为量化误差,用ε表示。量化误差属原理误差,它是无法消除的。A/D 转换器的位数越多,各离散电平之间的差值越小,量化误差越小。
量化过程常采用两种近似量化方式:只舍不入量化方式和四舍五入的量化方式。
1.只舍不入量化方式
以3位A/D转换器为例,设输入信号v1的变化范围为0~8V,采用只舍不入量化方式时,取△=1V,量化中不足量化单位部分舍弃,如数值在0~1V之间的模拟电压都当作0△,用二进制数000表示,而数值在1~2V之间的模拟电压都当作1△,用二进制数001表示……这种量化方式的最大误差为△。
2.四舍五入量化方式
如采用四舍五入量化方式,则取量化单位△=8V/15,量化过程将不足半个量化单位部分舍弃,对于等于或大于半个量化单位部分按一个量化单位处理。它将数值在0~8V/15之间的模拟电压都当作0△对待,用二进制000表示,而数值在8V/15~24V/15之间的模拟电压均当作1△,用二进制数001表示等。
3.比较
采用前一种只舍不入量化方式最大量化误差│εmax│=1LSB,而采用后一种有舍有入量化方式│εmax│=1LSB/2,后者量化误差比前者小,故为多数A/D转换器所采用。
A/D转换器的种类很多,按其工作原理不同分为直接A/D转换器和间接A/D转换器两类。直接A/D转换器可将模拟信号直接转换为数字信号,这类A/D转换器具有较快的转换速度,其典型电路有并行比较型A/D转换器、逐次比较型A/D转换器。而间接A/D转换器则是先将模拟信号转换成某一中间电量(时间或频率),然后再将中间电量转换为数字量输出。此类A/D转换器的速度较慢,典型电路是双积分型A/D转换器、电压频率转换型A/D转换器。
DAC是Digital-to-Analog Converter的缩写,指数字/模拟转换器。数字量是用代码按数位组合起来表示的,对于有权码,每位代码都有一定的位权。为了将数字量转换成模拟量,必须将每1位的代码按其位权的大小转换成相应的模拟量,然后将这些模拟量相加,即可得到与数字量成正比的总模拟量,从而实现了数字/模拟转换。