触发器逻辑功能转换
时间:2023-03-13来源:佚名
|
将某种逻辑功能的触发器经过改接或附加一些门电路后,转换为另一种触发器。 1.JK触发器转换成D触发器 一、基本结构
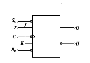
如图1所示,在主从型JK触发器基础上,通过一“非”门是JK两端输入互为反量。 2.JK触发器转换成T触发器
如图2所示,将J,K端连联在一起,称为T端。
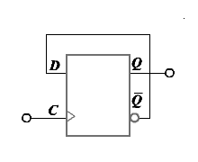
一、基本结构 如图3,将D触发器的输出端 与输入端D相联,组成T' 触发器。二、功能分析 由于Q与 是非的关系,故每来一个时钟脉冲,Q的状态必取其非,即 ,具有计数功能。 |




与输入端D相联,组成T' 触发器。
,具有计数功能。





