电容式传感器的测量电路
时间:2023-03-13来源:佚名
|
1、调频电路
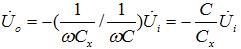
当被测信号不为0时,ΔC≠0,振荡器频率有相应变化 特点:0.01μm级位移变化量。信号的输出频率易于用数字仪器测量, 并与计算机通讯。 2、运算放大器式电路 如果传感器是一只平板电容,则Cx=εS/d 结论:Uo的相位与输入反相,大小和位移呈线性关系 3、二极管双T形交流电桥
4、环形二极管充放电法
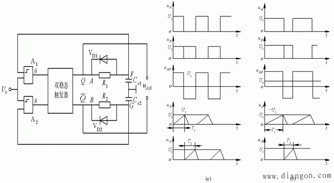
5、脉冲宽度调制电路
|
|
1、调频电路
当被测信号不为0时,ΔC≠0,振荡器频率有相应变化 特点:0.01μm级位移变化量。信号的输出频率易于用数字仪器测量, 并与计算机通讯。 2、运算放大器式电路 如果传感器是一只平板电容,则Cx=εS/d 结论:Uo的相位与输入反相,大小和位移呈线性关系 3、二极管双T形交流电桥
4、环形二极管充放电法
5、脉冲宽度调制电路
|







