三绕组变压器的基本方程式和等值电路
时间:2023-03-13来源:佚名
|
设一、二、三绕组匝数分别为 变比的定义: 磁动势: 磁动势平衡: 转化为电流形式:
图1 三绕组变压器 磁通和电动势:
自感电动势:
互感电动势:
(1)主磁通: (2)漏磁通:只铰链一个或两个绕组的磁通,前者称自漏,后者为互漏; 自漏磁通由一个绕组的磁动势所产生,互漏磁通由两个绕组的磁动势产生,它们主要通过空气和油闭合,相应的漏抗为常数 按上图所示正方向
电动势: 电压方程式为: 归算到一次侧后 若忽略激磁电流,则 将(1)-(2)并以
再将(1)-(3)并以
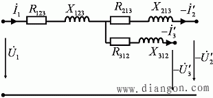
上两式中: 可画出三绕组变压器简化等效电路如下图。
图2 三绕组变压器简化等效电路 由于忽略励磁电流,等效电路中的感抗都具有漏电抗性质,它们是不变的常数,但每一个感抗都由该绕组的自感以及三个绕组之间的互感组合而成,所以在三绕组变压器中,两个二次绕组之间是相互影响的,任何一二次绕组端电压的变化不仅决定于本绕组负载电流的大小及功率因数,而且还与另一个二次绕组负载电流的大小及功率因数有关。 |









与三个绕组同时铰链;
为自漏磁通 为互漏磁通。
(1)
和
为电流归算值,



代入得
(2)
代入得
(3)
一次绕组等效漏阻抗
二次绕组等效漏抗
三次绕组等效漏抗








