电路中电位的计算
时间:2023-03-13来源:佚名
|
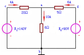
电路中某一点的电位是指由这一点到参考点的电压。 电路的参考点可以任意选取,通常认为参考点的电位为零。而其他各点的电位都同它比较,比它高的为正,比它低的为负。正数值愈大则电位愈高,负数值愈大则电位愈低。 参考点在电路图中标上“接地”符号。所谓“接地”,并非真与大地相接。 图1所示,可得出
这是a,b两点间的电压值或两点的电位差,即a点电位
如将b点“接地”,作为参考点,则
反之,如将a点作为参考点,则
可见,电路中各点的电位随参考点选的不同而改变,但是任意两点间的电压不变。 图1也可简化为图2所示电路,不画电源,各端标以电位值。
| ||||||||
比b点电位
高60V,但不能算出
和
各为多少伏[特]。
=0








