配电变压器防雷接地的具体要求
|
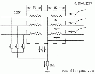
目前供电公司对配电变压器台区的防雷接地采取高压侧接避雷器,然后将避雷器的接地引下线与配电变压器外壳及低压中性点相连,共用一个接地装置的做法,要求100 kVA及以上的配电变压器接地装置的接地电阻为4Ω以下,100 kVA及以下的配电变压器接地电阻为10Ω以下,并要求人工接地装置做成环形,这些规定,都是有关标准上的结论。而标准中的每条规定都是有具体的适用范围,而许多具体规定在供电公司的现场规程中没有反映,因而有必要对这些规定做出一些解释,同时做一些更易于执行的具体规定。 1、配电变压器防雷接线 配电变压器防雷接线见图1。
图1 配电变压器防雷、工作、保护共同接地 1.1 关于接地电阻的规定 三点共同接地就意味着防雷接地(高压避雷器)、保护接地(外壳)和工作接地(低压中性点)共用一个接地装置,其接地电阻应满足三者之中的最小值,其中防雷接地一般规定小于10Ω,但要有垂直接地极,以利散流。低压工作接地一般应小于4Ω。因而接地电阻主要取决于高压侧对地击穿时的保护接地,一般情况下配电变压器都是向B类建筑物供电的,标准上有规定,只有当保护接地的接地电阻R≤50/I时,高压侧防雷及保护接地才能与低压侧工作接地共用一个接地装置。反过来说,如果采取三点共同接地,则R≤50/I时,其中I为高压系统的单相接地电流。 对不接地系统,I为系统的电容电流,对消弧线圈接地系统,I为故障点的残流。 有些系统虽装有消弧线圈,但常常运行不正常而退出运行,目前不少10 kV系统IC都在40 A左右,所以较大的高压系统中R应取1Ω。 如果按上述计算结果大于4Ω,则由低压工作接地要求,不得大于4Ω。公式R≤50/I中,50为低系统的安全电压,即高压侧对外壳单相接地时,接地电流流过接地装置的压降不得超过50 V。 而10 kV系统中的电容电流差别很大,有的不足10 A,有的高达上百安或数百安,所以配电变压器三点共同接地时,要根据所在高压系统的情况来确定接地装置的接地电阻,不能笼统地规定4Ω或10Ω。由于接地电阻大小与系统单相接地电流有关,与配变容量并无关,所以现场规程的说法没有道理。有的资料认为,当低压工作接地单独另设时,100 kVA以下的配电变压器的低压侧工作接地电阻,可放宽到10Ω,原因是变压器小,内阻抗大,限制了接地电流,也就限制了地电位的升高。 1.2 关于共同接地的接地方式 除图1的方式外,施工中还会出现其它接地方式,见图2、3。
图2 施工中常用的接地方式
图3 施工中常用接地方式 三种方式中都是共同接地的,采用哪种方式为好,现分析如下。 高压侧避雷器的作用是用来保护变压器高压线圈与外壳之间的绝缘,按图2的接法,高压线圈与外壳之间承受的电压除避雷器残压外,还增加了接地引下线的电感、电阻上的压降,这个压降在雷电流冲击下是不可忽视的,使其保护效果大为降低。 而图1的接法也会产生一个问题,就是低压线圈及中性线全部承受接地装置上的压降,特别是当中性点存在重复接地,接地电阻小于配电变压器接地电阻,且离配电变压器较近时,高压侧避雷器的放电冲击电流将较多流向重复接地,有时会将重复接地的引下线烧断(重复接地线一般较细)。 所以图3的接法较为合理,对高压线圈的防雷保护合理,对低压中性线的冲击也较小,因为部分雷电流已通过接地装置流入地中。 1.3关于接地装置的设计 按标准规定,配电变压器台区的接地装置应敷设为闭合环形,并加垂直接地极,这是因为环形内的接触电压比较低,而沿环形接地体走路的行人,其跨步电压也较小,城区的配电变压器大多安装在路边,因常有人走动,为行人安全着想,必须敷设为环形。 环形的大小,一般以5m为直径,这是因为要发挥水平接地极和垂直接地极的散流效果,减少相互屏蔽,降低接地电阻而必需的。但有些安装地点过于狭窄时,则可为椭圆形,短轴距不得低于3 m,见图4,两个垂直接地极宜打在短轴两端点附近,高压避雷器及外壳接地和中性点的接地分别引至垂直接地极附近,以利于散流。如土壤电阻率较高,做一个环后,测试接地电阻不合要求,则应在环外再做一个大环,两环相距4~5 m,埋深比第一环深,至少两处相连接,直至满足要求为止。
图4 接地装置敷设为椭圆形 1.4 关于接地引下线的连接方式 按部颁标准,除设备的接线端子可用螺栓连接外,引下线及接地装置都应使用焊接,但为安装方便,通常在电杆下的1.8~2.0 m处有一个断接卡,也用螺栓连接。引下线一般用扁钢,但也有采用钢绞线。钢绞线与扁钢的连接应制作接线板,最好采用双螺栓相连,以利于接触良好。 目前的实际情况是,高压避雷器接地端分别用钢绞线接线,三根钢绞线再连在一起,且都是绞合连接,配电变压器外壳的接地线也用钢绞线与避雷器接地线绞合,然后再与接地装置的引上线用螺栓连接,有的也未压制接线鼻,这些连接都不符合标准的要求,接头过多,接触不良。 建议三个高压避雷器的接地端用30×4的扁钢连成一体,从中间引下与外壳的接地扁钢相连,均采用焊接,也不宜在中间设断连卡,而直接入地与接地装置进行焊接,低压中性点直接用扁钢引至接地装置与之焊接,扁钢宜采用30×40 mm2。 1.5 关于接地装置的施工 接地装置的地下水平接地极应采用40×4的扁钢,垂直接地极用L40×4,埋深大于60cm,填土时用干净的原土并夯实。有条件时,应将环形水平接地极的面积适当增大些,或往环外再做一个环,两处相连,以降低接地电阻,尽可能达到1Ω。地下连接处应采用焊接,并符合要求。扁钢的搭接长度应为扁钢宽度的2倍,且应三面或四面焊接,三面焊接时尽量二短边一长边,利于电流通过,圆钢的焊接长度为圆钢直径的6倍,应两面焊接,且不得有虚焊。焊接处应采取防腐措施。 1.6 关于低压侧装避雷器 由于采用三点共地后,高压侧避雷器的放电电流(特别当三相同时放电时)很大,在接地电阻上的压降也很高。该压降加在低压线圈上,通过低压线路电容接地,在低压线圈中就有一冲击电流使线圈励磁,通过电磁感应使高压线圈感应出很高的电压。高压侧电压受高压侧避雷器残压所限制,高压线圈中性点电位就很高,容易在中性点附近,导致对地击穿或匝间短路而损坏变压器,因而必须采取措施,限制低压线圈承受的电压,即一般采取低压侧也加一组避雷器。当地电位升高时,通过避雷器放电,使低压线圈只承受低压避雷器的残压(1300 V左右),这样高压中性点附近的过电压就被限制在可承受范围之内,这就是防止逆变换损坏变压器,见图5。同样当低压线路感应雷传到配电变压器时,低压侧避雷器也会动作,使雷电流入地,低压线圈的电压被限制在低压避雷器残压之内,防止配电变压器高压侧被按变比感应的电压所损坏。这属于正变换过电压,由于配电变压器的低压侧绝缘裕度高于高压侧,所以配电变压器雷击事故常发生在高压侧,尤其是中性点附近,见图6。
图5 配电变压器逆变换情况
图6 配电变压器正变换情况 低压侧加装避雷器,因其往往采用高、低压架空线,容易受雷击,35/0.4 kV直配变压器因其变比大,更应在低压侧加装一组避雷器,尤其是当35 kV线路开路运行,高压侧无避雷器保护时。加装低压避雷器后,原来的三点共同接地就成了四点共同接地,见图1。 1.7 关于中性线及连接 中性线在三相负荷不平衡时流过电流,按有关规定该电流不得大于相线电流的25%。 另外,中性线、中性点接地线与配电变压器低压中性线端头的连接应可靠,应制作接线鼻(板),螺栓应压紧,防止接触不良流过电流时发热烧断。中性线断线意味着低压系统失去接地,成为不接地系统。三相负荷不平衡时,导致三相电压相差很大,烧毁用电设备。 2、关于柱上开关的防雷接地 高压柱上开关及隔离开关一般作为联络开关用,标准规定应在一侧或两侧装设避雷器(开关经常断开),且避雷器引下接地线应与开关外壳(包括隔离开关底座)连接,这是为了保证开关对地绝缘只承受避雷器残压,而得到有效的保护。 但观察中发现,不少柱上开关两侧的高压避雷器接地线都是直接引入地下,未与开关外壳相连。此时开关对地绝缘所承受的除避雷器残压外,还包括引线和接地装置电阻上的压降。如接地引线电感为1.67μH/m,引线长10 m,雷电波波头2.5 μs,幅值5 kA,加上接地电阻上的 压降,避雷器的残压取50 kV,则开关承受的电压为133.4 kV,已超过了开关的冲击绝缘水平75 kV,避雷器就起不到保护作用。 有些开关外壳虽有引下接地线,也是单独入地,即使共用一个接地装置,开关绝缘所承受的电压也高于残压。 单独柱上开关的接地装置,其接地电阻不应大于10Ω,这也是标准的规定,柱上开关的外壳,隔离开关闸刀的底座,以及旁边的绝缘子横担(金属),应连在一起与避雷器的接地引下线相连,这样就使隔离开关支持绝缘子都能得到保护,防止雷击闪络,充分发挥避雷器的作用。其连接线可采用Φ8 mm的圆钢或20 mm×3 mm的扁钢。 线路中所装设的高压无功补偿电容器也应加金属装氧化物避雷器,其接地引下线也应与电容器的外壳相连。 3、配电变压器低压侧的接地型式 前述配电变压器低压侧中性点接地,并与高压侧避雷器接地共用一个接地装置,适应于大量采用的低压系统为TN和TT,但是如采用IT 制式,则中性点就不能接地。 TN系统,又分三种情况: •TN-C系统,整个系统中用电气设备外壳保护线与中性线合一; •TN-S系统,整个系统中电气设备外壳保护接地线与中性线分开,有专用保护线; •TN-C-S系统,系统中有部分线路的中性线和保护线合一。 TT系统,系统中有一点直接接地,用电设备外壳采取接地保护。 IT系统,配电变压器低压中性点不接地,用电气设备外壳单独接地保护。
(1)TN-C系统
(2)TN-CS系统
(3)TN-S系统
(4)TT系统
(5)IT系统 图7 系统接地各种型式示意图 需防爆的场所最好采用IT系统,三根相线或四根(加中性线)送过去,中性点不接地,外壳单独接地,这样相线碰地或碰外壳,电流很小,不会产生火花,防止爆炸。 如接地点和中性点接地电阻都是4Ω,TN、TT系统相线接地时,中性点上会产生危险的电压,该电压U0=110 V。 4、接地电阻的测量 测量配电变压器接地电阻应停用配电变压器(TN或TT制式),拆开中性点接线及与外壳的连线。 主要目的是防止重复接地影响测量结果。 测量可用接地电阻测试仪,布线方向应与架空线垂直方向(电缆线路不限)。 电压电流极应打在比较潮湿的地方,减少其接地电阻,减少测量误差。 测量点的选取,测量接地装置电阻应包括引线和接头的电阻。 判断标准:如为共用接地装置,接地电阻据所在系统的电容电流按R≤50IC计算出要求值,如计算值超过4Ω,则按4Ω选取。 配电变压器防雷接地工程是一项复杂的工程,要考虑防雷接地、保护接地、工作接地的各种要求,以其中最小值为标准来设计和施工。不要认为“接地”可以马虎从事,它关系到人身和设备安全的大事,即防雷保护的有效性。接触电压、跨步电压的大小,人体接触外壳时的电压高低都涉及到电击事故发生的机率,及危害程度,所以必须认真施工,按标准的有关规定执行,以确保防雷和接地的安全运行。 |


















