自感式传感器原理、灵敏度与非线性、等效电路、转换电路
|
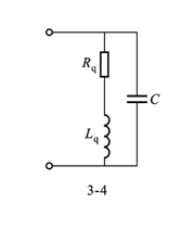
1、自感式传感器的工作原理 电感值与以下几个参数有关:与线圈匝数w平方成正比;与空气隙有效截面积S0成正比;与空气隙长度l0所反比。 2、灵敏度与非线性 气隙型其灵敏度为:差动式传感器其灵敏度: 以上结论在满足Δl/l0<<1时成立。 从提高灵敏度的角度看,初始空气隙l0距离人应尽量小。其结果是被测量的范围也变小。同时,灵敏度的非线性也将增加。如采用增大空气隙等效截面积和增加线圈匝数的方法来提高灵敏度,则必将增大传感器的几何尺寸和重量。这些矛盾在设计传感器时应适当考虑。与截面型自感传感器相比,气隙型的灵敏度较高。但其非线性严重,自由行程小,制造装配困难。因此近年来这种类型的使用逐渐减少。差动式传感器其灵敏度与单极式比较。其灵敏度提高一倍,非线性大大减小。 3、等效电路 自感式传感器从电路角度来看并非纯电感,它既有线圈的铜耗,又有铁芯的涡流及磁滞损耗,这可用折合的有功电阻抗Rq表示。此外,无功阻抗除电感之外还包括绕组间分布电容。这部分电容用集总参数C表示,一个电感线圈的完整等效电路可用图3-4表示。 式中 Rm---磁路总磁阻; Za---铁芯部分的磁阻抗; Z0--空气隙的磁阻抗。 4、转换电路 一、调幅电路 调幅电路的一种主要形式是交流电桥。图(a)所示为交流电桥的一般形式。桥臂Zi可以是电阻、电抗或阻抗元件。当空载时,其输出称为开路输出电压,表达式如下。式中U为电源电压。 (a)电阻平衡臂电桥 (b)变压器电桥 二、调频电路 调频电路的基本原理是传感器电感L变化将引起输出电压频率f的变化。一般是把传感器电感L和一个固定电容C接入一个振荡回路中,如图(a)所示。当L变化时,振荡频率随之变化,根据的f大小即可测出被测量值。当L有了微小变化ΔL后,频率变化Δf为 三、调相电路 调相电路的基本原理是传感器电感L变化将引起输出电压相位φ的变化。图(a)所示是一个相位电桥,一臂为传感器L,另一臂为固定电阻R。设计时使电感线圈具有高品质因数。忽略其损耗电阻,则电感线圈与固定电阻上压降UL与UR互相垂直,如图(b)所示。当电感L变化时,输出电压U0的幅值不变,相位角φ随之变化。 φ与L的关系为 式中ω--电源角频率 5、零点残余电压 它表现在电桥预平衡时,无法实现平衡,最后总要存在着某个输出值ΔU0,这称为零点残余电压,如图所示。 6、自感式传感器的特点以及应用 自感式传感器有如下几个特点: ①灵敏度比较好,目前可测0.1μm的直线位移,输出信号比较大、信噪比较好; ②测量范围比较小,适用于测量较小位移; ③存在非线性; ④消耗功率较大,尤其是单极式电感传感器,这是由于它有较大的电磁吸力的缘故; ⑤工艺要求不高,加工容易。 |












