建筑现场临电一级变电站配电柜的设置要点
时间:2023-03-13来源:佚名
|
一般说来,建筑工地上的用电系统属于临时用电,由于工地工期有数月至数年,故临时用电不临时,它实属建筑施工过程中的用电工程或用电系统的简称,在我国越来强调安全的今天,其重要性非比一般。部颁标准(JGJ46—2005)“施工现场临时用电安全技术规范”及为配合该标准的贯彻,由中建协及建设部安监司所编写的相关指导性工具书等,也对此提出了许多要求,下面我们统简称其为“标准与书籍”。
工地现场的临电体系在实际工作中的体现,主要是一级变电站、二级、三级配电箱及它们之间的连接电线。其中的一级变电站是起着接受工地外来电源,再分配给工地上的各个需用电设施,它应是工地上的总用电设备的调度枢纽,对于工地现场,它是源头也是现场用电设计的最重要部分。根据施工现场规模的大小不同,设置时要充分考虑到以下因素:建筑工程及设备安装的工程量与施工进度,各个阶段的电气需要量,工地各种用电设备的分布情况及其与所供电源的远近,各设备的容量情况,及采用TN-S供电体制所需安全保护装置的装设等,因此对一个现代中等规模以上的工地现场,这个一级供电枢纽,就不可以是一个箱子的概念,它的装配体积大小就是配电柜形式,在加盖防护的房间后,它就成为工地上的配电间,也称为工地变电站,其规模与技术均是工地供电系统设置工作中的首位。下面就其相应的技术控制要点,谈一谈我们对它的认识。 一、配电室的设置
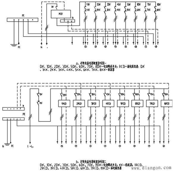
1、配电室的位置设置应靠近电源,进、出线方便,周围环境应灰尘少、无腐蚀介质,潮气少、无积水、振动少、无易燃易焊物品,避开污染源的下风侧。 2、室内配电柜下宜有300×300mm沟槽放置进出电缆,柜的下边应高于室地面约250mm,柜顶距房顶应大于500mm,柜周边应有1m以上空间。应有良好的入地装置,其入地电阻不大于4Ω。 3、配电室内无杂物,门窗应通风和透光,应能防止鼠类等小动物进入,门向外开,并配锁。 4、应有两个彼此独立的照明系统,一为正常照明,一为事故照明。 5、应配备两个以上的四氯化碳灭火器和灭火用砂桶。并配备有工作、停电、检修、警示等标志牌。 二、配电柜的设置 1、由标准与书籍所而产生的模糊问题 虽标准与书籍已成为现实工作中贯标的准则,但是它们对一级配电柜的设置并没有具体的规定,也没有实物图,只介绍有图1示的总配电箱电器配置接线图。 这里的模糊产生是由叙述不清晰引起,难有准确的理解。接线图没有规定用什么型式的电器,在电器产品型号有多种的今天,壁如市面上供应的开关,就有板闸开关、空气开关、(带熔断器的)隔离开关等,故也造成实用中多在一级配电柜中装有石板开关情况。 还有配电箱的说法,使人们总是理解成“箱子”,殊不知箱子空间小,能容下的电器有限,也造成现实中选用结构简单的电器,造成千人千样不同电器的配电流程的接通形式。就是作成柜子形式,其规格尺寸也多有杂乱,有1.6m或2m者,实际上这些矮尺寸柜子均不符合选用现行优质电器(因结构复杂些,其规格体积也稍大些)的安装,在矮尺寸柜中所装的电器及其相互空间位置均难达到合理与优秀二字。 2.总配电箱应该多分路的问题 由于工地上的各种设备、各个工种的各个工作面均需要用电,故配电室从外电电源接到电能后,应尽可能分成多个分路输出,满足各处的需求,(这好比上游的水流宽大,下游才好多分流)。不然,分路太少,让后面的二级箱会出现重迭,出现四级或五级配电情况,使工地的供电系统显得相当混乱。出现多级二级箱,也使该分路上线路与电器承受过多的电流,使电器设置不合理,上一级分箱的电器会在加大负荷下至早老化或损坏,引发电气事故,实际中,只要出现多级二级箱的情况,该工地的供电系统肯定是紊乱、不合理的。 在标准与书籍所介绍的总配电箱电器接线图中只有2~3路输出,这样使人们易产生可以少分路的思想,其影响是,分路少所用电器少,至一级配电只作个配电箱能容下,也就有“箱”的概念,也产生了人们口头上的一级配电箱的说法。实际在一般规模工地情况下,一级配电应该是配电柜(屏),只有柜的容量才能容下多个分路的电器器件。比如:一个约5万m2的中型工地,所用的设备、机具与生活照明用电,累计总量约380kw左右,工地各处所分布的供电分线路,约需6~8路为宜,这么多的分路需采用的电器器件,决不是一个“箱”的空间容量能装得进的。实际分路情况如图2示。 ![]() 图1总配电箱电器配置接线图
![]() 图2 实际情况的总配电箱电器配置接线图 3.总配电柜中的电器配置 在施工现场用电工程配电系统中,配电装置的电器配置应为基本供配电系统和基本保护系统相适应,工地的总配电柜更应如此,它应具备三种基本功能:①电源隔离功能;②正常接通与分断电路功能;③过载、漏电保护功能。 根据标准规定应在一级配电中装设漏电保护器,此漏电保护器还能起到过载、短路保护功能时。按标准与书籍介绍的图1所示,现实中形成的模糊观念是:在总路、分路都可装漏电保护器,这样在现实中有许多地方的安监就要求在总路一定要装漏电保护器。可实际情况是,总路电流较大,所用电器体积也大,装总隔离开关后再装总漏电保护器,其柜内布局相当碍事,还有它的经常误动作会影响到其它分路断电,故它应装在各分路中较适合于实际使用情况,故一般采用图1b示的总配电电箱配置接线图,即采用在总进线上设置总隔离开关,在各分路上设置隔离开关,分路熔断器,再接分路漏电保护器后输出。这样,柜内的电器布置就成为如图3所示,从上至下安排,电源进线先进总隔离开关,下面是三相的相排,电源在此分路,各路的分隔离开关下是零排,再下是各分路漏电保护器,柜底下设置通地排,各分路电源在此后输出。说明一点,各分路隔离开关应采用带有熔断器式的隔离开关,能省去其安装位置。 ![]() 图3 总配电箱电器配置接线实物示意图 4. 总配电柜的尺寸规格 按图3所示,图中各电器元件,均是按实物尺寸大小摆放,其相互间均存有一定的手动空间,使方便于安装维修,也利于散热,因此柜的高度一定是2200mm,才能适合此要求。 柜的宽度可视需分路多少而定,若柜的一面装3个分路,可只需600mm(或800mm)宽; 若分路多者,柜宽可达1400mm,柜的厚度一般定为600mm。该规格尺寸较合符实际。 三、配电柜内电器计算设置 以现较普遍的中型工地约为5万m²建筑面积的施工为例。一般所使用的用电设备及功率如表1示: 表1 ![]() 1. 功率计算 由于工地上所用设备性质不同,不可能同时运行,也不同时满载等原因,供电系统的 实际负荷与设备容量采用K值来修正,取K1=0.5,K2=0.6,K3=1.0,即按下式来计算。 ΣP=1.05×(K1ΣP1/cosφ K2ΣP2 K3ΣP3) 取cosφ=0.75 P1=32.8×1 90×1 28×1 11×2 1.1×3 3.3×1 5.5×1 4×2 5×1 1×2 11×1 2.5×3 =214kw P2=100×1 50×3 18×2=286kw P3=(P1 P2)10%=(214 286)×10%=50kw ∴ ΣP=1.05×(0.5×214/0.75 0.6×286 1.0×50)=382.33kw 2. 总路电器选用 I总=382.33×1000/380×1.732 =580A 故进线总线路截面可选用4×240mm2的橡套铜芯电缆,总路隔离开关可选用HD11-600型刀型三相开关,三相铜排宜采用宽40mm厚5mm的铜板,而零排和地排则采用宽30mm的铜板。 3. 各分路的电器选用 各分路的电源开关宜采用HR型带熔断器式的隔离开关,据现行国产的电器产品的性能与质量,宜采用HR6型或HR17型较为优质,其允通电流量应根据该分路所用电功率选取。上述实例的总配电柜中分路,分为400A有2路,250A有2路,200A有2路,160A有2路,共8个分路,足可满足此中型工地需求。各分路的隔离开关后面接漏电保护器,满足标准要求的二级保护原理,其规格按此分路的电流容通量选取,选用时注意其额定动作时间应符合规定的要求。 四.结束语 建筑工地的临时用电,确实存在许多危险因素,特别是在电器产品不但更新的今天,在标准与其宣贯的书籍没有统一的模式规定下,在多种电器产品可选择下,使现实工作中出现有千人千样的情况,也使现实中多有争论。但笔者认为,对于建筑工地,许多设备如塔机、外用电梯、混凝土泵、搅拌机、钢筋机械等都己成用电的定式,故完全可以对其作出一个同一性的模式。笔者也认为,凡事总有一个比较之下,最为合理、先进的方法,笔者在上面论述的模式,基本推出了现行工地的一级变电站的实物模式,己在本公司的数十个工地推行达数年时间,普遍反映良好,按国产现行的电器产品来衡量,其使用性能应是最先进者,在此向全国推出,谨供国内同仁参考并指正。 |










