什么是电流互感器
时间:2023-03-13来源:佚名
|
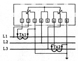
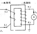
电流互感器是一种特殊变压器,其工作原理和变压器相似。所不同的是在变压器的铁芯内,产生交变主磁通是由一次绕组两端所加的交流电压的电流产生。铁芯内的交变主磁通在电流互感器的二次绕组内感应出相应的二次电动势和二次电流。 由于一次绕组和二次绕组绕制于同一个铁芯故被同一交变主磁通所交链,所以在数值上一次绕组和二次绕组的电流和匝数积应相等,即I1n1=I2n2,所以I1/I2=n2/n1=K,K称为电流互感器的变比。 电流互感器主要用于将电力系统中的高电压大电流按一定比例转换成低电压、小电流,即不管一次侧电流有多大,二次侧(一般)都是5A。供给仪表、仪器、继电器等作为测量,保护用。 |







