计数器是数字系统中用得较多的基本逻辑器件。它不仅能记录输入时钟脉冲的个数,还可以实现分频、定时、产生节拍脉冲和脉冲序列等。例如,计算机中的时序发生器、分频器、指令计数器等都要使用计数器。
计数器的种类很多。按时钟脉冲输入方式的不同,可分为同步计数器和异步计数器;按进位体制的不同,可分为二进制计数器和非二进制计数器;按计数过程中数字增减趋势的不同,可分为加计数器、减计数器和可逆计数器。
1、二进制异步计数器
1.二进制异步加计数器
(1)电路结构
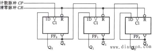
以三位二进制异步加法计数器为例,如图1所示。该电路由3个上升沿触发的D触发器组成,具有以下特点:每个D触发器输入端接该触发器Q 端信号,因而Q n+1=Q n,即各D触发器均处于计数状态;计数脉冲加到最低位触发器的C端,每个触发器的Q 端信号接到相邻高位的C端。

图1 3位二进制异步加计数器
(2)原理分析
假设各触发器均处于0态,根据电路结构特点以及D触发器工作特性,不难得到其状态图和时序图,它们分别如图2和图3所示。其中虚线是考虑触发器的传输延迟时间tpd后的波形。

图2 图1所示电路的状态图

图3 图1所示电路的时序图
由状态图可以清楚地看到,从初始状态000(由清零脉冲所置)开始,每输入一个计数脉冲,计数器的状态按二进制递增(加1),输入第8个计数脉冲后,计数器又回到000状态。因此它是23进制加计数器,也称模八(M=8)加计数器。
从时序图可以清楚地看到Q0,Q1,Q2的周期分别是计数脉冲(CP)周期的2倍,4倍、8倍,也就是说Q0,Q1,Q2,分别对CP波形进行了二分频,四分频,八分频,因而计数器也可作为分频器。
需要说明的是,由图3中的虚线波形可知,在考虑各触发器的传输延迟时间tpd时,对于一个n 位的二进制异步计数器来说,从一个计数脉冲(设为上升沿起作用)到来,到n 个触发器都翻转稳定,需要经历的最长时间是ntpd ,为保证计数器的状态能正确反应计数脉冲的个数,下一个计数脉冲(上升沿)必须在ntpd 后到来,因此计数脉冲的最小周期Tmin=ntpd 。
2.二进制异步减计数器
图4是3位二进制异步减计数器的逻辑图和状态图。从初态000开始,在第一个计数脉冲作用后,触发器FF0由0翻转为1(Q0的借位信号),此上升沿使FF1也由0翻转为1(Q1的借位信号),这个上升沿又使FF2 由0翻转为1,即计数器由000变成了111状态。在这一过程中,Q0向Q1进行了借位,Q1向Q2进行了借位。此后,每输入1个计数脉冲,计数器的状态按二进制递减(减1)。输入第8个计数脉冲后,计数器又回到000状态,完成一次循环。因此,该计数器是23进制(模8)异步减计数器,它同样具有分频作用。

图4 3位二进制异步减计数器 (a)逻辑图 (b)状态图
综上所述,可对二进制异步计数器归纳出以下两点:
(1)n位二进制异步计数器由n个处于计数工作状态(对于D 触发器,使Di=Qin;对于JK 触发器,使Ji=Ki=1) 的触发器组成。各触发器之间的连接方式由加、减计数方式及触发器的触发方式决定。对于加计数器,若用上升沿触发的触发器组成,则应将低位触发器的Q 端与相邻高一位触发器的时钟脉冲输入端相连(即进位信号应从触发器的Q 端引出);若用下降沿触发的触发器组成,则应将低位触发器的Q 端与相邻高一位触发器的时钟脉冲输入端连接。对于减计数器,各触发器的连接方式则相反。
(2)在二进制异步计数器中,高位触发器的状态翻转必须在低一位触发器产生进位信号(加计数)或借位信号(减计数)之后才能实现。故又称这种类型的计数器为串行计数器。也正因为如此,异步计数器的工作速度较低。
2、 二进制同步计数器
为了提高计数速度,可采用同步计数器,其特点是,计数脉冲同时接于各位触发器的时钟脉冲输入端,当计数脉冲到来时,各触发器同时被触发,应该翻转的触发器是同时翻转的,没有各级延迟时间的积累问题。同步计数器也可称为并行计数器。
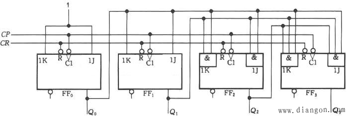
1.二进制同步加计数器
图5是用JK触发器(但已令J=K)组成的4位二进制(M=16)同步加计数器。
由图可见,各位触发器的时钟脉冲输入端接同一计数脉冲CP ,各触发器的驱动方程分别为J0=K0=1,J1=K1=Q0、J2=K2=Q0Q1、 J3=K3=Q0Q1Q2 。

图5 4位二进制同步加计数器
根据同步时序电路的分析方法,可得到该电路的状态表,如表1所示。设从初态0000开始,因为J0=K0=1,所以每输入一个计数脉冲CP,最低位触发器FF0就翻转一次,其他位的触发器FFi仅在 Ji=Ki=Qi-1Qi-2……Q0=1的条件下,在CP 下降沿到来时才翻转。
|
表1 图5电路的状态表 |
|
计算脉冲 CP的顺序 |
电路状态 |
等效 十进制数 |
|
Q3 |
Q2 |
Q1 |
Q0 |
|
0 |
0 |
0 |
0 |
0 |
0 |
|
1 |
0 |
0 |
0 |
1 |
1 |
|
2 |
0 |
0 |
1 |
0 |
2 |
|
3 |
0 |
0 |
1 |
1 |
3 |
|
4 |
0 |
1 |
0 |
0 |
4 |
|
5 |
0 |
1 |
0 |
1 |
5 |
|
6 |
0 |
1 |
1 |
0 |
6 |
|
7 |
0 |
1 |
1 |
1 |
7 |
|
8 |
1 |
0 |
0 |
0 |
8 |
|
9 |
1 |
0 |
0 |
1 |
9 |
|
10 |
1 |
0 |
1 |
0 |
10 |
|
11 |
1 |
0 |
1 |
1 |
11 |
|
12 |
1 |
1 |
0 |
0 |
12 |
|
13 |
1 |
1 |
0 |
1 |
13 |
|
14 |
1 |
1 |
1 |
0 |
14 |
|
15 |
1 |
1 |
1 |
1 |
15 |
|
16 |
0 |
0 |
0 |
0 |
0 | |
图6是图5电路的时序图,其中虚线是考虑触发器的传输延迟时间tpd 后的波形。由此图可知,在同步计数器中,由于计数脉冲CP 同时作用于各个触发器,所有触发器的翻转是同时进行的,都比计数脉冲CP 的作用时间滞后一个tpd ,因此其工作速度一般要比异步计数器高。

图6 图5电路的时序图
应当指出的是,同步计数器的电路结构较异步计数器复杂,需要增加一些输入控制电路,因而其工作速度也要受这些控制电路的传输延迟时间的限制。如果将图5电路中触发器FF1、FF2和FF3的驱动信号分别改为
即可构成4位二进制同步减计数器,其工作过程请读者自行分析。
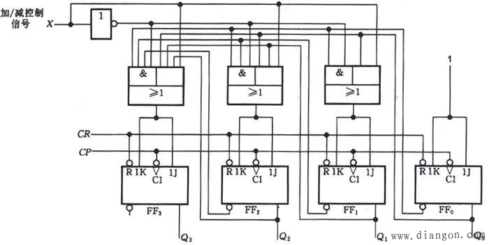
2.二进制同步可逆计数器
实际应用中,有时要求一个计数器即能作加计数又能作减计数。同时兼有加和减两种计数功能的计数器称为可逆计数器。
4位二进制同步可逆计数器如图7所示,它是在前面介绍的4位二进制同步加和减计数器的基础上,增加一控制电路构成的。由图可知,各触发器的驱动方程分别为

图7 4位二进制同步可逆计数器
当加/减控制信号X=1时,FF1-FF3中的各J、K 端分别与低位各触发器的Q 端接通,进行加计数;当X=0时,各J、K 端分别与低位各触发器的Q 端接通,进行减计数,实现了可逆计数器的功能。