二-十进制计数器
时间:2023-03-13来源:佚名
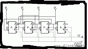
通常人们习惯于十进制计数,即逢十进一,这种计数必须是十种状态表示0~9十个数。二-十进制计数器是在二进制基础上得出的,用四位二 进制数来表示十进制的每一位数(BCD码)。若采用8421编码方式,是取四位二进制数前面的“0000~1001”来表示十进制的;0~9十个数码,而去掉后面的“1010”~“1111”六个数码。也就是计数器计到第九个脉冲时再来一个脉冲,即由“1001”变为“0000”并向高位进位,用8421编码的4位二进制数表示一位十进制数,表1是8421码十进制加法计数器的状态表。 考虑采用同步方式实现一位十进制加法计数器。比较表1,发现十进制计数器在来第十个脉冲不是由“1001”变为“1010”,而是溢出成“0000”。若仍采用JK主从型触发器,J、K端子的逻辑关系表达式应作如下改动: (1)F0:每来一个计数脉冲就翻转,故仍然J0=K0=1 (2)F1:在Q0=1时再来一个脉冲翻转,而在Q3=1时不得翻转,故J1= ,K1=Q0;(3)F2:在Q1=Q0=1时再来一个脉冲翻转,故仍然J2=K2=Q1Q0; (4)F3:在Q2=Q1=Q0=1时再来一个脉冲翻转并在来第十个脉冲时应由1变为0,故J3=Q2Q1Q0,K3=Q0; 由上述逻辑关系式可实现同步十进制加法计数器如图1所示,工作波形如图2。
|

,K1=Q0;








