电动机正反转互锁原理和控制原理图
时间:2023-03-13来源:佚名
|
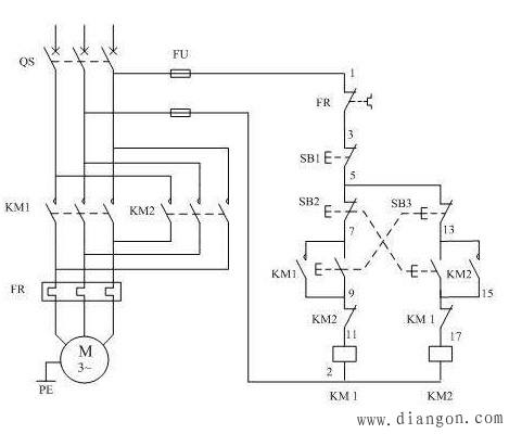
互锁原理
接触器KM1和KM2的主触头决不允许同时闭合,否则造成两相电源短路事故。为了保证一个接触器得电动作时,另一个接触器不能得电动作,以避免电源的相间短路,就在正转控制电路中串接了反转接触器KM2的常闭辅助触头,而在反转控制电路中串接了正转接触器KM1的常闭辅助触头。 当接触器KM1得电动作时,串在反转控制电路中的KM1的常闭触头分断,切断了反转控制电路,保证了KM1主触头闭合时,KM2的主触头不能闭合。同样,当接触器KM2得电动作时, KM2的常闭触头分断,切断了正转控制电路,可靠地避免了两相电源短路事故的发生。
这种在一个接触器得电动作时,通过其常闭辅助触头使另一个接触器不能得电动作的作用叫联锁(或互锁)。实现联锁作用的常闭触头称为联锁触头(或互锁触头)。
控制原理
当按下正转启动按钮SB2后,电源相通过热继电器FR的动断接点、停止按钮SB1的动断接点、正转启动按钮SB2的动合接点、反转交流接触器KM2的常闭辅助触头、正转交流接触器线圈KM1,使正转接触器KM1带电而动作,其主触头闭合使电动机正向转动运行,并通过接触器KM1的常开辅助触头自保持运行。
三相异步电动机正反转控制原理图
在选择断路器时,我们不仅要关注断路器的延迟曲线等主要指标,还应重视它的很多次要功能,这些常容易被忽略的性能不仅能为一个良好的设计锦上添花,而且还能帮助工程师们为其应用设计精密的保护电路。
目前市面上有许多配备了各种可选功能的断路器,这些功能对于电路保护设计很有帮助。下面列出的是一些较为常见的功能。 辅助接点(辅助开关):它们是与主接点电隔离的接点,适用于报警和程序开关。辅助接点可用于向操作人员或控制系统告警,发出警报,或在重要应用中接通备用电源。 关于三相电机正反转实战问题:
二只接触器,二个起动按钮,一个停止开关,怎样接线,才能实现正反转,二只接触器应该怎样接?
答:
|











