常用电力电子器件
时间:2023-03-13来源:佚名
|
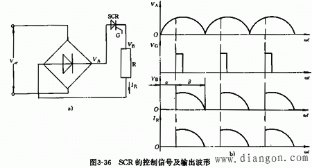
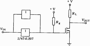
1.晶闸管 晶闸管又称可控硅,是目前应用最广泛的半导体功率开关元件,其控制电流可从数安培到数千安培。 晶闸管的主要类型有单向晶闸管SCR、双向晶闸管和可关断晶闸管GTO等三种最基本类型,此外还有光控晶闸管、温控晶闸管等特殊类型。 (1)单向晶闸管SCR ![]() ![]() 1)控制角α 指从零电压到被触发导通的瞬间的这段时间所对应的电度角。 2)导通角β 指从被触发导通的瞬间开始到电压为零这段时间所对应的电度角。 ![]() SCR导通之后的输出电压可以用式: ![]() ![]() (2)双向晶闸管TRIAC 双向晶闸管可以看成是两个单向晶闸管反向并联组成。其中MTl和MT2为主电极,G为门极。 与单向晶闸管相比,双向晶闸管的特点是:在触发后是双向导通的;门极所加触发信号可以为正也可以为负。 ![]() 注意:由于双向晶闸管是双向导通的,它从一个方向过零进入反向阻断状态只是一个十分短暂的过程,当负载是感性负载时(如电枢),由于电流滞后性,有可能会使电压过零时电流仍存在,从而导致双向晶闸管失控(不关断)。为使双向晶闸管能正确工作应在其两主电极MTl与MT2间加RC电路。 (3)门极可关断晶闸管GTO 当门极加上正控制信号时GTO导通;在门极加上负控制信号时GTO截止。 ![]() (4)光控晶闸管与温控晶闸管 光控晶闸管是把光电耦合器件与双向晶闸管做到—起形成的集成电路。它的典型产品有MOC3041,MpC3021等。其结构如图3—41所示。 ![]() 光控晶闸管的输入电流一般为10~100mA,输入端反向电压一般为6V;输出电流一般为lA,输出端耐压一般为400~600V。因此,光控晶闸管大多用于驱动大功率的双向晶闸管。 温控晶闸管是一种小功率晶闸管,它的输出电流一般在 100mA左右。 ①温控晶闸管是一种温敏器件,它和普通晶闸管具有相同的开关特性。 ②温控晶闸管的温度特性是负特性(当温度越高时,正向开关门槛电压越低。 ③在温控晶闸管的阴极电压固定时,温度升到某一个值,温控晶闸管就会导通;温度继续上升,温控晶闸管保持导通;如果温度下降到某一个值,则温控晶闸管又会变成截止。可见,用温控晶闸管可实现温度的开关控制。 ④在温控晶闸管的门极和阳极或阴极之间加上适当器件,如电位器,光敏管,热敏电阻等,可以改变晶闸管的导通温度值。温控晶闸管一般用于50V以下低压场合。 2.功率晶体管 (1)功率晶体管(也称为电力晶体管)的特点 ①大功率晶体管不仅可以工作在开关状态,而且也可以工作在模拟状态,因而有着更广的工作范围,如声频功率放大,超声波功率放大,有源滤波器等。 ②功率晶体管的开关速度远大于晶闸管。 ③功率晶体管的控制比晶闸管容易。 ④功率晶体管价格高于晶闸管。 (2)功率晶体管的结构 多管复合结构,功率可高达几千瓦。由于采用了复合结构,使功率晶体管有较大的电流放大系数。 ![]() (3)功率晶体管的应用 功率晶体管有开关状态和模拟状态两种工作状态,但在机电产品中,它基本被用来做高速开关器件。 ![]() 3.功率场效应晶体管 功率场效应晶体管又称功率MOSFET,是在大功率范围应用的场效应晶体管,在机电系统应用中,它有着比双极型功率晶体管更好的特性,主要表现在如下几个方面: 1)由于功率场效应晶体管尽多数载流子导电,故而不存在少数载流子的储存效应,从而有较高的开关速度; 2)具有较宽的安全工作区而不会产生热点,同时,由于它具有正的电阻温度系数,所以容易进行并联使用; 3)具有较高的可靠性和较强的过载能力,短时过载能力通常为额定值的四倍; 4)具有较高的控制电压,即阈值电压,这个阈值电压可达2—6V,因此,有较高的噪声容限和抗干扰能力,给电路设计带来极大的方便; 5)由于它是电压控制器件,具有很高的输入阻抗,因此驱动电流很小,接口容易。 ![]() 功率场效应管的驱动 ![]() 为保证有足够高的电平驱动功率场效应管导通,也为了保证它能迅速截止,在实际中常把上拉电阻接到 10~ 15V电源。 ![]() 在实际使用中,为避免干扰由执行元件处窜入控制微机,常采用脉冲变压器、光电耦合器等对控制信号进行隔离。 4.固态继电器(SSR) 固态继电器是一种无触点功率型通断电子开关,又名固态开关。当在控制端输入触发信号后,主回路呈导通状态;无控制信号时主回路呈阻断状态。控制回路与主回路间采取了电隔离及信号耦合技术。 在使用时,应考虑其应用特性如下: 1)根据产品功能不同,固态继电器输出电路可接交流或直流,对交流负载的控制有过零与不过零控制功能。 ![]() 2)由于固态继电器是一种电子开关,故有一定的通态压降和断态漏电流。 3)负载短路易损坏SSR,应特别注意避免。 ![]() 国产SSR的驱动电流一般为0.5—20mA,最小工作电压3V,故可直接由TTL器件驱动。 |























