带有放大环节的单结晶体管触发电路
时间:2023-03-13来源:佚名
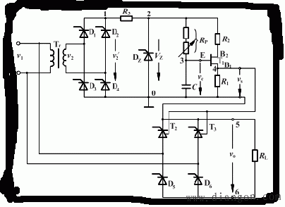
图1的单结晶体管触发电路中的电位器几只能手动调节。在需要自动控制触发脉冲移相的场合,常用图2所示的带有放大环节的单结晶体管触发电路。晶体三极管T1和T2组成直接耦合直流放大电路。控制电压
|
图1的单结晶体管触发电路中的电位器几只能手动调节。在需要自动控制触发脉冲移相的场合,常用图2所示的带有放大环节的单结晶体管触发电路。晶体三极管T1和T2组成直接耦合直流放大电路。控制电压
|






