杆塔外形尺寸的确定
时间:2023-03-13来源:佚名
|
1.确定杆塔外形尺寸的基本要求
杆塔外形尺寸主要包括杆塔呼称高、横担长度、上下横担的垂直距离、避雷线支架高度、双避雷线悬挂点之间水平距离等。 杆塔是用来支持导线和避雷线的,因此,其外形尺寸主要取决于导线和避雷线电气方面的因素。 如导线对地、对交叉跨越物的空气间隙距离,导线之间、导线与避雷线之间的空气间隙距离;导线与杆塔部分的空气间隙距离;避雷线对边导线的防雷保护角;双避雷线对中导线的防雷保护;考虑带电检修带电体与检修人员之间的空气间隙距离等。
一般说来,杆塔外形尺寸的确定,应符合以下基本要求: (1)确定杆塔高度时,应满足导线对地面及交叉跨越物的距离要求。 (2)导线与塔本身的距离应满足内过电压及正常工作电压的间隙要求,并满足带电作业的间隙要求。 (3)导线间的水平距离或垂直距离应满足档距中央接近程度所需的距离。 (4)避雷线的布置应满足导线防雷保护的要求。 2.杆塔呼称高的确定 杆塔最下层导线绝缘子串悬挂点到地面的垂直距离H,称为杆塔的呼称高,如上一章图4-1所示,并已知杆塔的呼称高H计算式为: ![]() 由上式可知,对一定电压等级的架空线路,其λ、h、Δh为定值,随着设计档距的增加,导线弧垂加大,所用杆塔的呼称高也随之加大,这一分析在上一章已有介绍。 实际上,杆塔呼称高的确定主要考虑满足导线与地面及导线与各种跨越物之间的安全距离的要求。 对某一电压等级的线路,根据不同档距下,分析杆高与其数量在投资效益方面的得失,则必然存在着一个经济的杆塔高度,此高度则称之为经济呼称高。 3.杆塔头部尺寸的确定
杆塔的头部尺寸主要决定于电气对空气间隙及线间距离的要求。 (1)空气间隙的校验。包括在内外过电压及正常工作电压三种情况下,其绝缘子串风偏后,导线对杆塔接地部分的空气间隙要求不得小于表1的数值。
校验塔头空气间隙,必须保证悬垂绝缘子串风偏后,带电部分对杆塔部件的净距离仍能满足表5-1所规定的最小空气间隙。因此,还需要先明确校验的气象条件。 表1中按三种电压规定了最小空气间隙,所以验算气象条件也分为三种:①工作电压下,计算条件为最大风速及相应的气温。②雷电过电压下,计算条件为气温15℃、风速15m/s(当最大设计风速为35m/s及以上时)或10m/s(最大设计风速小于35m/s时)。③内过电压下,计算条件为年平均气温、最大设计风速的一半但不低于15m/s。 直线杆塔的绝缘子串的受力情况示意图见后所示,绝缘子串风偏角φ及绝缘子串风压荷载可按式(1)和式(2)计算。 即: (1) (2)下面解释两式中各符号的含义。 式中 S—导线截面积,mm2 —水平档距,m; —垂直距离,m; g1—导线自重比载;N/m·mm2 g4—导线风压比载, N/m·mm2 Gj—绝缘子串的自重力,N; Pj—绝缘子串风压荷载,N; Pd—导线作用于绝缘子串风压荷载,N; Gd—导线自重力,N; Sj—一片绝缘子的受风面积,m2; n—每串绝缘子的片数,金具零件按一片绝 缘子的受风面积考虑; v—计算情况下的风速,m/s。 分析绝缘子串的受力情况,见图1(a)所示, ![]() 图1(a) 风偏摇摆角示意图 由静力学的力矩平衡关系,Pj、Pd对绝缘子串为顺时针方向作用,而Gj、Gd对绝缘子串为逆时针方向作用,则有: (3) 由式(5-3)即可得出式(5-1)绝缘子串风偏角计算关系。 在外过电压、内过电压及正常工作电压情况下,分别求出绝缘子串的风偏角φ1、φ2、φ3,然后绘出间隙圆图,如图1(b)所示: ![]() 图1(b) 正面间隙圆图示意图 由图中的间隙距离R1、R2、R3,即可得知各种情况下的空气间隙是否满足表5-1所列数值。 关于正面间隙圆图的说明。 正面间隙圆图以每一种电压下的气象条件,算出绝缘子串的摇摆角,即可找到风偏时导线悬挂点(带电部分)的极限位置。 然后以每一种情况下导线悬挂点风偏极限位置为圆心,分别以每种电压下的最小空气间隙长度为半径画圆,就是正面间隙圆。如图1(b)中A点为雷电过电压时导线悬挂点极限位置,R1—为雷电过电压下最小空气间隙。相应的在B点、R2—为内过电压时最小空气间隙,C点、R3—为工作电压时最小空气间隙。 显然,正面间隙圆与杆塔任何部件均不相交而是相离,则空气间隙校验合格。若间隙圆与杆塔部件相交,则校验不合格。 由式(5-1)可知,当垂直档距 很小时,φ角增大。所以要选 / 之比最大的、杆塔相对位置较低的杆塔进行校验,若能通过,则其它杆塔可以不再校验。如校验不合格,应进行调整,措施有:调整塔位、改变塔高、加重锤或改用允许摇摆角大的杆塔。 实际上,在间隙圆图中,对杆身起控制作用的一般为内过电压或外过电压两种情况,从图1(b)中可以看出,内过电压的间隙图,对下导线横担起控制作用;而正常情况风速较大,绝缘子串的风偏角较大,对杆身间隙不起作用,但在强风地带须校验此时对横担下沿间隙。 为了带电检修的需要,有时还需给出带电作业的间隙圆图,考虑带电作业的杆塔,其带电部分对接地体风偏后的间隙应满足有关规程规定的距离要求。 此外,对于带电作业的人员停留或工作的部位还应考虑人体的活动范围0.3-0.5m。 (2)导线的水平线间距离。 导线的线间距离包括水平线间距离和垂直线间距离。 导线在塔头上的布置形式大体上可以分为三类:水平排列、垂直排列(并有水平偏移)和三角排列。后者实际上是前两种方式的结合。各种常用排列方式参见杆塔结构图。 另外,从导线相对于杆塔的位置而言,又可把导线的排列方式分为对称排列(导线位置对称于塔身的中心线)和非对称排列。用于35~110KV线路的上字型或鸟骨单柱杆塔,导线排列即为非对称排列。 线间距离指没有风偏时导线间的距离。确定线间距离主要考虑当导线发生风偏摇摆时,不应发生短路故障(也叫碰线事故)。 确定导线的线间距离,要考虑两方面的情况: 一是导线在杆塔上的布置形式及杆塔上的间隙距离;二是导线在档距中央相互靠近时的间隙距离。取两种情况的较大者,决定线间距离。 1)按导线在杆塔上的绝缘配合决定线间距离。 以导线采用水平排列为例来说明这一问题。 根据绝缘子风偏角计算出导线线间距离为: (4)![]() 其中上图为导线水平排列示意图 式中 D—导线水平线间距离,m; R—最小空气间隙距离,按三种情况(工作电压、外过电压、内过电压)分别计算; b—主柱直径或宽度; φ—绝缘子风偏角(有三个值); 由三种电压情况计算出的D中,选其中大者作为线间距离; 2)按导线在档距中央工作情况决定线间距离。 水平排列的导线由于非同步摆动在档距中央可能相互接近。垂直排列的导线由于覆冰不均匀或不同时脱冰上下跳动或受风作用而舞动等原因,上下层导线也可能相互接近。为了保证必需的相间绝缘水平,必须有一定的线间距离。垂直布置的导线还应保证一定的水平偏移。 目前根据经验公式来确定线间距离。 当各相导线水平排列时,对1000m以下的档距,规程规定导线的最小水平线间距离,一般按下式计算 (5)式中 D—导线的最小水平线间距离,m ; λ—悬垂绝缘子串长度,m; UN—线路相间额定电压,kV; —导线最大弧垂,m。一般情况下,使用悬垂绝缘子串的杆塔,其水平线间距离与档距的关系,可采用表2所列的数值。
水平线间距离一般不应小于表2中的值。 当导线按三角形排列时,除两相下导线需满足式(5-5)的要求外,上下导线线间斜线距离可用下式换算为等效水平排列线间距离De,等效距离De也应满足式(5)要求: (6)等效距离De示意图可参见有关文献。 式中 De—导线三角形排列时的等效水平线间距离, m; Dh—导线间水平投影距离(水平偏移),m; Dp—导线间垂直投影距离,m。 (3)导线垂直排列的垂直距离和水平偏移。 当导线垂直排列时,其垂直线间距离一般可采用式(5)计算结果的75%。直线杆的垂直线间距离应不小于表3所列的数值。
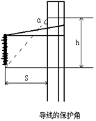
对多回杆塔,不同的回路的不同相导线水平或垂直距离均应加大,据运行经验一般应比上述线间距离大0.5m左右。 导线垂直排列时,为防止导线在不均匀脱冰时,引起事故,杆塔上下层导线间或导线与避雷线间应有一定的水平偏移,其偏移值规程也有相应规定。 (4)避雷线布置。 为保证避雷线对导线的防雷保护作用,避雷线悬挂点应满足以下条件: 1)避雷线对边导线防雷保护角应符合设计规定,保护角α(如下图所示)的值一般取20°― 30°;保护角计算式为: (7)式中 α—对边导线的保护角; S—导、地线间的水平偏移,m; h—导、地线间的垂直偏移,m。 ![]() 此外,对大跨越档高度超过40m的杆塔,α不宜超过20°。对于发电厂及变电所的进线段,α不宜超过20°,最大不应超过30°。 2)双避雷线的水平距离应满足规程要求。 (d<=5h);即两避雷线间距离不应超过避雷线与导线间垂直距离的5倍。 3)避雷线和导线(+15℃,无风条件下)在档距中央的接近距离应满要求。 | ||||||||||||||||||||||||||||||||||||||||||||||||||||||||||||||||

(1)
(2)
—水平档距,m;
—垂直距离,m; 
(3) 
(4)
(5)
—导线最大弧垂,m。
(6)
(7)







