低压断路器结构及工作原理

时间:2023-03-13来源:佚名

结构:低压断路器由操作机构、触点、保护装置(各种脱扣器)、灭弧系统等组成。可实现短路、过载、失压保护。

低压断路器结构及工作原理
图1 低压断路器原理图

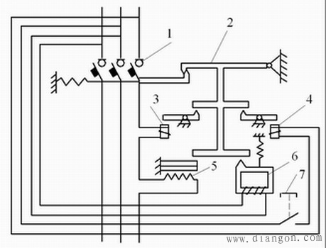
低压断路器结构及工作原理
图2 塑壳式低压断路器原理图
1-主触头;2-自由脱扣器;3-过电流脱扣器;4-分励脱扣器;
5-热脱扣器;6-失压脱扣器;7-按钮

    相关阅读

    带你完全了解电容!(下)

    【免费下载】 PLC软件下载_PLC软件安装教程_PLC手册下载_PLC案例下载! 【免费学习】 变频器精品课程_西门子PLC精品教程_三菱PLC精品教程! 上一篇文章非常详细地讲解了电容的含义,如...
    2023-06-27

    0-30V/5A可调对称电源电路图

    在下面的方案图中,我们展示了一款0-30V / 5A可调对称电源,可以覆盖实验室或车间的广泛应用。值包含在设计图中。 电位器 P1 和 P2 用于将每个调节器输出独立调节至 0 至 30V 范围内的...
    2023-08-01
    0-30V/5A可调对称电源电路图

    实拍我家新房水电改造,大弯走线太靠谱,报价7000我心甘情愿!

    新房装修我最不放心的就是水电改造了,毕竟是隐蔽工程,一旦入住之后漏水漏电,那还不得把装修好的房子全拆了才能返工?所以当初在请装修师傅的时候,我是一万个小心,特意去...
    2023-06-11
    实拍我家新房水电改造,大弯走线太靠谱,报价7000我心甘情愿!

    用万用表测量三极管放大倍数的方法

    本文介绍了用万用表测量三极管的放大倍数的方法,如果手上没有专用仪器,可以用万用表测量三极管的静态放大倍数,比如MF47的指针式万用表就带有测量三极管(NPN、PNP)插口,下面...
    2023-06-26
    用万用表测量三极管放大倍数的方法

    事故预想:燃气相关的典型事故类型及处理,学习了

    一、常见的天然气中毒类型 1)天然气中毒 不含硫化氢的天然气,也能引起人员中毒。因为虽然天然气的主要成分甲烷不属于毒性气体,当空气中的甲烷含量增加到10%以上时,则氧的含...
    2023-06-13
    事故预想:燃气相关的典型事故类型及处理,学习了

    热销商品

    加厚abs安全帽电工建筑工地程施工领导监理透气防砸头盔可印字V型

    这款加厚ABS安全帽专为电工、建筑工地施工人员、领导及监理设计,采用高强度ABS工程塑料,抗冲击、防砸性能优异,有效保障头部安全。帽体加厚设计,增强耐用性与防护等级...
    5.8

    水口钳高硬度模型剪钳电子钳工业级口水剪斜嘴钳偏口斜口专用钳子

    水口钳高硬度模型剪钳是一款工业级精密工具,专为电子、模型制作及精细作业设计。采用优质高碳钢材质,经热处理工艺打造,具备卓越的硬度和耐磨性,可轻松剪切金属引脚、...
    4.8

    170电子剪钳II 如意斜口钳 工业斜嘴钳水口钳 模型剪塑胶钳尖嘴钳

    170电子剪钳II如意斜口钳是一款专业级精密工具,集工业斜嘴钳、水口钳、模型剪、塑胶钳与尖嘴钳功能于一体,适用于电子维修、模型制作、手工艺及精密作业。其采用优...
    4.5

    安全帽国标工地加厚施工领导透气安全头盔建筑工程监理免费印字

    本款安全帽严格遵循国家GB 2811-2019标准,专为建筑工程、工地施工及监理人员设计。采用高强度ABS工程塑料,加厚壳体有效抗冲击,保障头部安全。帽体轻盈透气,内置可调...
    10

    包邮三角型简易螺丝刀三角十字螺丝刀螺丝批改锥起子五金工具5mm

    这款5mm三角型简易螺丝刀,专为拧紧或拆卸三角形螺丝设计,适用于电子维修、家电维护及精密仪器装配等场景。采用优质合金钢材质,刀头硬度高、耐磨损,确保长久使用不变...
    3.64

    网站栏目