数控机床的主运动系统
时间:2023-03-13来源:佚名
|
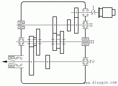
根据数控机床的要求和目前大多数数控机床的配置现状,主运动系统的配置大致有以下四类: 1.普通电机—机械变速系统—主轴部件配置方式: ![]() 图1 普通电机—机械变速系统—主轴部件配置方式 该配置方式是一种传统的配置方式,它能够满足各种切削运动转矩输出的要求,但变速范围不大,由于是有级变速使切削速度的选择受到限制,而且该配置的结构较复杂,所以现在仅有少数经济型数控机床采用该配置,其他已很少采用。 2.变频器—交流电机—1~2机械变速—主轴部件配置方式 ![]() 这种配置如图5-3所示,变频电机经一对齿轮变速后,再通过二联滑移齿轮传动主轴,使主轴获得高速段和低速段转速。其优点是能够满足各种切削运动的转矩输出,且具有大范围的速度变化能力,相对上述配置方案具有结构简单、安装调试方便,且在传动上能满足转速与转矩的输出要求,但其调速范围及动力特性相对于交、直流主轴电机系统而言要差一些。主要用于经济型或中低档数控机床上。 3.交、直主轴电机 — 主轴部件配置方式 这种配置形式如图5-4(a)所示,电机经同步齿形带传动主轴,电机是性能更好的交、直流主轴 电机(图5-4(b)),其优点是变速范围宽,最高转速可达 8000 r/min,在传动上能基本能满足目前大多数数 控机床的要求,易于实现丰富的控制功能、其结 构简单、安装调试方便,可满足现在中高档数控 机床的控制要求。但对于越来越高的速度的需求, 该配置方式已难以满足。 4.电主轴 传统的主轴部件都是由主轴电机经传动机构带动主轴转动。如若能将主轴与电机制成一体那么就可省去传动机构,使主轴驱动机构简化。因而一种称为电主轴(或内装式主轴电机)应运而生,其结构示意图如图5-5(a)所示。由图可知这种电机由三个基本部分组成:空心轴转子、带绕组的定子、速度检测元件。空心轴转子,它既是电机的转子,也是主轴,中间是空心的,用于装夹刀具或工件;带绕组的定子,它和其他电机相似。这种电机构成了较简单的主运动部 件。它不仅可以使转速提高,若在其内应用较先进的轴承(如陶瓷轴承、磁悬浮轴承等)而且可使主轴部件结构紧凑、重量轻、惯量小,可提高启动、停止的响应特性,利于控制振动和噪声。转速高,目前最高可达200000 r/min。它的出现大大简化了主运动系统结构,实现了所谓的“零传动”,因而使传动精度大大提高,由于它具有上述特点,在高速数控机床大量采用。但在目前也存在着一些缺点,主要是电机运转产生的振动和热量将直接影响到主轴,因此,主轴组件的整机平衡、温度控制和冷却是内装式主轴电机的关键问题。图5-5(b)为数控车床和数控铣床用电主轴外观图 ![]() 图5-5(a) 电主轴结构示意图 ![]() 图5-5(b) 电主轴外观图 |


这种配置形式如图5-4(a)所示,电机经同步齿形带传动主轴,电机是性能更好的交、直流主轴 电机(图5-4(b)),其优点是变速范围宽,最高转速可达 8000 r/min,在传动上能基本能满足目前大多数数 控机床的要求,易于实现丰富的控制功能、其结 构简单、安装调试方便,可满足现在中高档数控 机床的控制要求。但对于越来越高的速度的需求, 该配置方式已难以满足。










