整距线圈的磁动势
|
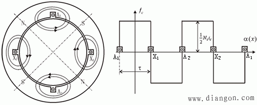
图1(a)是一台两极电机的示意图,定子铁心内只有一个整距线圈,当线圈通以电流(如从X流入,从A流出)时,线圈便产生一个两极磁场。按右手螺旋定则,磁场方向如图中箭头所示。对于定子而言,下边为N极,上边为S极。
(a)磁动势图 (b)磁动势展开分布图 设线圈电流为
单位为安匝/极。如果线圈的电流为恒定电流,则矩形波的幅值将恒定不变。交流电机中绕组的电流为正弦交变电流,若以线圈轴线处作为座标原点,如图1所示,则在
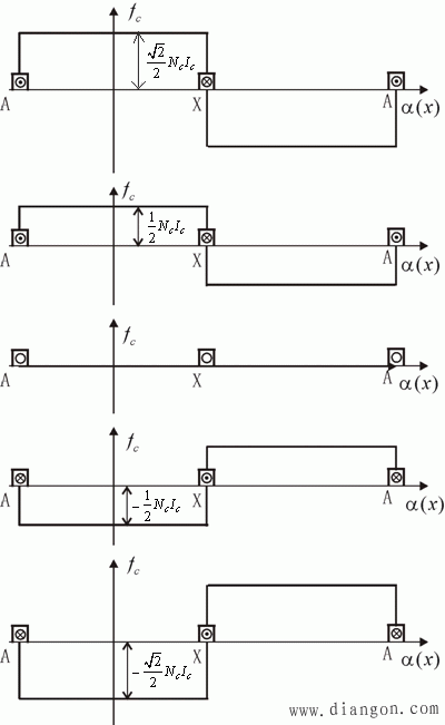
(2)式中, 由式(2)可以看出,在一个整距线圈中通以正弦电流时,它所产生矩形波磁动势的幅值将随时间作正弦变化。当
图2 矩形波磁动势随时间的脉振情况 上面分析的是一对极的情况。图3给出了两对极整距线圈的磁动势的分布情况。由图可见,对于多极电机,由于整个磁路组成一个对称的分支磁路,各对极下的情况都一样,所以只要分析一对极即可。
图3 两对极整距线圈的磁动势 |

,线圈的匝数为
,于是线圈产生磁动势为
。根据全电流定律,任何一条闭合磁力线回路的磁动势,等于它所包围的电流代数和。由图1(a)可以看出,每条磁力线所包围的安数都是
(1)
的范围内,整距线圈所产生的磁动势为
(2)
,为矩形波磁动势的幅值,单位是安匝/极,后面分析的磁动势单位都为安数/极。
时,电流达最大值,矩形波磁动势的幅值也达最大值
;当
时,电流为零,矩形波磁动势也为零;当电流为负时,磁动势也随着改方向。矩形波磁动势随时间的脉振情况如图2所示。这种幅值随时间变化的磁动势称为脉振磁动势,其脉振频率与交变电流的频率相同。








