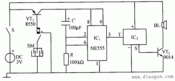
当婴儿尿布尿湿后,若不及时更换,婴儿易感染尿布湿疹等疾病,对婴儿健康不利。将婴儿尿湿报警器放在婴儿尿布下面,当婴儿撒尿时,能从喇叭里传出"世上只有妈妈好"的音乐声,提醒妈妈快给婴儿换尿布。婴儿尿湿报警器的基本原理是利用湿度进行控制的,其电路原理图如图 1所示。

图1、婴儿尿湿报警器电路原理图
电路原理
整个电路由三个单元电路所组成:
(1)由湿敏传感器SM与VT1组成电子开关电路;
(2)由555时基集成电路和阻容元件组成延时电路;
(3)IC2为软封装音乐集成电路。
婴儿尿湿报警器的工作原理是:平时湿敏传感器处于开路状态,而VT1属于PNP型三极管,因此集电极无电压输出,这里VT1相当于一个受湿度控制的电子开关。当婴儿尿布尿湿后,湿敏传感器被尿液短路,VT1导通,延时电路便开始工作计时,约10s后,555第3脚输出高电平,触发IC2发出音乐声音,提示监护人及时给婴儿换尿布。
本电路设计了一个延时电路"开"的功能,当婴儿撒尿时,大约10s后才开始报警,其目的是让婴儿把尿撒完。如果没有延时电路,婴儿一撒尿,报警器立即报警,这样会惊吓婴儿,造成闭尿现象,会危害婴儿健康。
电路制作
婴儿尿湿报警器所用元件比较少,制作简单,性能可靠,可用通用印制板进行焊接。外壳可选用成品音乐门铃进行改制,湿敏传感器则需自制,至少制作两个以上,交替使用。元件的排列及湿敏传感器的制作如图 2所示。三极管VT1的基极与电源负极用导线与直径为3.5cm的插座相连,将插座固定在音乐门铃外壳上。使用时将湿敏传感器的插头插入孔内即可。

图2、婴儿尿湿报警器元件布局
电路仿真

图3、婴儿尿湿报警器电路仿真
在图 3婴儿尿湿报警器仿真电路申,开关J1代替湿敏传感器,发光二极管LED,代替音乐集成电路。按图 3所示元件参数连接电路,接通测试开关后按空格键(模拟婴儿尿尿),待数秒钟以后,发光二极管点亮(模拟音乐报警)。
图中的多功能数字电表主要是为了观察当J1接通后,三极管集电极是否有电压输出。
观察与思考
婴儿尿湿报警器虽然设置了延时报警功能,但扬声器发声时仍然会把婴儿吵醒。能否按图 1与图 4所示电路组合成婴儿尿湿无线报警器,用调频收音机接收无线报警信号。

图4、婴儿尿湿无线报警器电路
提示:图 4中的电感线圈用直径为0·12mm漆包线在直径为5mm钻头上绕6圈即可。