正反馈和负反馈_串联反馈和并联反馈_电压反馈和电流反馈_直流反馈和交流反馈
|
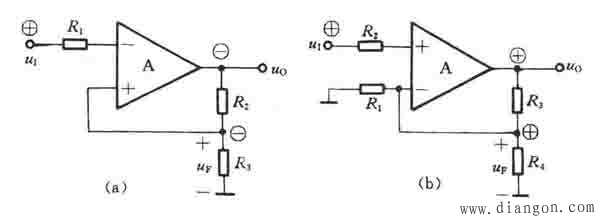
一、正反馈和负反馈 根据反馈极必的不同,可以分为正反馈和负反馈。 如果引入的反馈信号增强了外加输入信号的作用,从而使放大电路的放大倍数得到提高,这样的反馈称为正反馈;相反,如果反馈信号削弱外加输入信号的作用,使放大电路的放大倍数降低,则称为负反馈。 为了判断引入的是正反馈还是负反馈,可能采用瞬时极性法。即先假定输入信号为某一个瞬时极性,然后逐级推出电路其他有关各点瞬时信号的变化情况,最后判断反馈到输入端信号的瞬时极性是增强还是削弱了原来的输入信号。 ![]() 例如在上图(a)中,假设加上一个瞬时极性为的正的输入电压(在电路中用符号+、-分别表示瞬时极性的正或负,代表该点瞬时信号的变化为增大或减小)。因输入电压加在集成运放的反相输入端,故输出电压的瞬时极性为负,而反馈电压由输出电压经电阻R2、R3分压后得到,因此反馈电压的瞬时极性也是负,但集成运放的差模输入电压等于输入电压与反馈电压之差,可见反馈电压增强了输入电大的作用,使放大倍数提高,因此是正反馈。在上图(b)中,输入电压加在集成运放的同相输入端,当其瞬时极性为正时,输出电压的瞬时极性也为正,输出端通过电阻R3、R4分压后将反馈电压引回到集成运放的反相输入端,此反馈信号将削弱外加输入信号的作用,使放大倍数降低,所以是负反馈。 如果要求稳定放大电路中某个电量,一般采用负反馈的方式。负反馈虽然损失了放大倍数,但能使其它各项性能得到改善,因此在电路中经常被采用。有时也用正反馈的方式来获得较高的放大倍数,但要注意,正反馈太强时将会使电路产生振荡。本章重点讨论各种负反馈。 二、直流反馈和交流反馈 根据反馈信号本身的交、直流性质,可以分为直流反馈和交流反馈。 如果反馈信号中只饮食成分,则称变直流反馈;若反馈信号中只有交流成分,则称为交流反馈。在很多情况下,交、直流两种反馈兼而有之。
三、电压反馈和电流反馈 根据反馈信号在放大电路输出端采样方式的不同,可以分为电压反馈和电流反馈。 如果反馈信号取自输出电压,称为电压反馈;如果反馈信号取自输出电流,则称为电流反馈。 在上图(b)中,反馈信号与输出电压成正比,属于电压反馈。而在上图(a)中,如果不加旁路电容Ce,则反馈信号与输出回路的电流成正比,因此是电流反馈。 放大电路中引入电压负反馈,将使输出电压保持稳定,其效果是降低了电路的输出电阻;而电流负反馈将使输出电流保持稳定,因而提高了输出电阻。 为了判断放大电路中引入的反馈是电压反馈还是电流反馈,一般可假设将输出端交流短路(即令输出电压等于零),观察此时是否仍有反馈信号。如果反馈信号不复存在,则为电压反馈,否则就是电流反馈。 四、串联反馈和并联反馈 根据反馈信号与输入信号在放大电路输入回路中求和形式的不同,可以分为串联反馈和关联反馈。 如果反馈信号与输入信号在输入回路中以电压形式求和(即反馈信号与输入信号串联),称之为串联反馈;如果二者以电流形式求和(即反馈信号与输入信号并联),则称为并联反馈。 在上图(b)中,三极管VT1基极和发射极之间的净输入电压等于外加输入电压与反馈电压之差,即uBE=uI-uF,说明反馈信号与输入信号以电压形式求和,因此属于串联反馈。而上图(a)中,假设去掉旁路电容Ce,三极管VT1的基极电流等于输入电流与反馈电流之差,即iB=iI-iF,也就是说,反馈信号与输入信号以电流形式求和,所以是并联反馈。 以上提出了几种常见的反馈分类方法。除此之外,反馈还可以按其他方面来分类。例如,在多级放大电路中,可以分为局部反馈和级间反馈;又如在差动放大电路中,可以分为差模式反馈和共模反馈等等。此处不再一一列举。 |











