三菱PLC基本指令应用举例
|
一、定时器、计数器的应用
1、延时断开电路 图1所示为定时器构成的延时断开电路。当输入继电器X002闭合时,输出继电器Y003得电并由本身的触点自锁,同时由于X002的动断(常闭)触点断开,使T50线圈不能得电;当输入继电器X002断开时,其动断触点闭合,T50线圈得电,经过15 s后设定值减到0,T50的动断触点断开,Y003线圈失电。
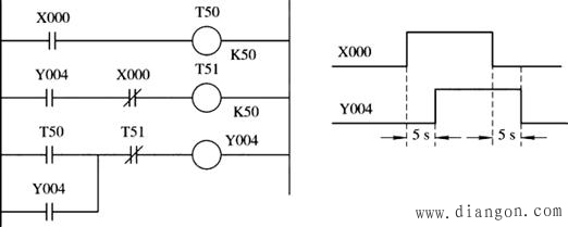
图1 延时断开电路 2、延时闭合/断开电路 图2所示为延时闭合/断开电路。图中有两个定时器T50和T51,用于延时闭合和延时断开。当输入X000闭合时,T50得电,延时5 s后,T50的动合触点闭合,Y004得电且自锁;当输入X000断开时,其动断触点闭合,T51得电,延时5 s后,T51的动断触点断开,Y004线圈解除自锁断电。
图2 延时闭合/断开电路 3、脉冲振荡电路 在plc的内部虽然也有一些特殊的辅助继电器可以产生一定周期的脉冲信号,例如,M8011、M8012的周期分别为10 ms、100 ms,但在实际中经常需要其他周期和形式的脉冲信号发生器。图3所示的脉冲振荡电路可以产生50 s的脉冲信号。当X000闭合后,脉冲振荡电路开始工作,T50经过30 s后,其动合触点闭合,T51开始延时,经过20 s后T51触点动作,其动断触点使T50断开,再经过30 s后T50动合触点又使T51断开,一个周期结束。在一个周期中T50触点闭合20 s,断开30 s,而T51触点只闭合一个扫描周期的时间。只要X000闭合,脉冲振荡电路就一直循环工作,直到X000断开为止。
图3 脉冲振荡电路 4、定时器的扩展 PLC的定时器有一定的定时设定范围。如果需要超出定时设定范围,可通过几个定时器串联,或者将定时器和计数器串联使用,达到扩充设定值的目的。图4所示为定时器的扩展电路。图中通过两个定时器的串联使用,可以实现延时1300 s。在图中T0的设定值为800 s,T1的设定值为500 s。当X000闭合时,T0就开始计时,当到达800 s时,T0的动合触点闭合,使T1得电开始计时,再延时500 s后,T1的动合触点闭合,Y000线圈得电,共延时1300 s。多个定时器的串级组合的总延时时间为各定时器设定值之和。
图4 定时器的串级组合 5、定时器和计数器的串级组合使用 图5所示为定时器和计数器的串级组合使用,该电路可以获得100×300 s=30 000 s 的延时。图中T0的设定值为100 s,当X000闭合时,T0线圈得电开始计时,当100 s延时时间到,T0的动断触点断开,使T0自动复位,在T0线圈再次得电后又可以开始计时。(http://www.gdzrlj.com/版权所有)在电路中,T0的动合触点每隔100 s闭合一次,计数器计一次数,当计到300次时,C0的动合触点闭合,Y001线圈得电。
图5 定时器与计数器的串级组合 |













