直流电动机的制动
时间:2023-03-13来源:佚名
|
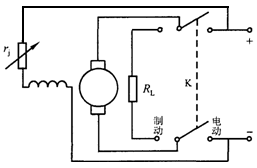
一台生产机械工作完毕就需要停车,因此需要对电机进行制动。最简单的停车方法是断开电源,靠摩擦损耗转矩消耗掉电能,使之逐渐停下来,这叫做自由停车法。 自由停车一般较慢,特别是空载自由停车,更需较长的时间,如希望快速停车,可使用电磁制动器,俗称“抱闸”。也可使用电气制动方法,分三种,能耗制动、反接制动和回馈制动 1.能耗制动 停车时,不只是断电,而且将电枢立即接到 由于惯性,n存在且与电动时相同,所以 所以 由于转矩与电动状态相反,产生一制动性质的转矩,使其快速停车。制动过程是电机靠惯性发电,将动能变成电能,消耗在电枢总电阻上,因此称之为能耗制动。 能耗制动操作简单,但低速时制动转矩很小。
图 1 并励电动机能耗制动接线图
图2 并励电动机反接制动接线图 2.反接法 采用以上能耗制动方法,在低速时效果差,如采用反接制动,可得到更强烈的制动效果。利用反向开关将电枢反接,反接同时串入电阻
反接制动时最大电流不得超过2 则应使
对于能耗制动 缺点:能量损耗大,转速下降到零时,必须及时断开电源,否则将有可能反转。 3.回馈制动 当 例如电车下坡时的运行状态 电车在平路上行驶时,摩擦转矩是制动性质的 系统运行于a点。这时 当电车下坡时, 总之,电气制动是电机本身产生一制动性质的转矩,使电机快速停转。 |
上(为限制电流过大)因为磁场保持不变(书中为并励)
与电动时方向相同。
电流方向相反。
反向。


为负,所以
,


为负,
。
仍存在(暂不考虑数值变化),车重产生的转矩是帮助运动的,如
,合成转矩与n方向相同,因而n上升,当
,使变负,
使
变负,






